LEMON Manuals: Even more car manuals for everyone: 1960-2025
Home >> Acura >> 2009 >> TL Base >> Repair and Diagnosis (Single Page) >> Engine Performance >> System >> Advanced Diagnostics >> DTC P0506: Idle Control System RPM Lower Than Expected >> Notes
April 5, 2026: LEMON Manuals is launched! Read the announcement.

DTC P0506: Idle Control System RPM Lower Than Expected: Notes

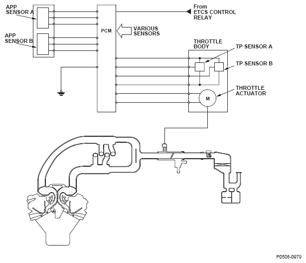
Fig 1: Idle Control System RPM Lower Than Expected - System Diagram
G06123632Courtesy of AMERICAN HONDA MOTOR CO., INC.
Fig 2: Idle Speed Waveform Graph
G04836268Courtesy of AMERICAN HONDA MOTOR CO., INC.