LEMON Manuals: Even more car manuals for everyone: 1960-2025
Home >> Acura >> 2009 >> TL Base >> Repair and Diagnosis >> Electrical >> Charging Systems >> Charging System >> Circuit Diagram >> Without Keyless Access System
April 5, 2026: LEMON Manuals is launched! Read the announcement.

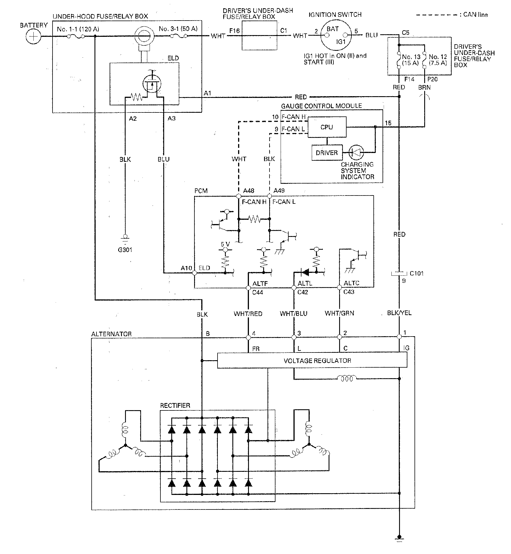
Without Keyless Access System

Fig 1: Charging System Circuit Diagram (Without Keyless Access System)
G00490034Courtesy of AMERICAN HONDA MOTOR CO., INC.