LEMON Manuals: Even more car manuals for everyone: 1960-2025
Home >> Acura >> 2009 >> TL Base >> Repair and Diagnosis >> Engine Mechanical >> Mechanical >> Engine Block >> Component Location Index
April 5, 2026: LEMON Manuals is launched! Read the announcement.

Component Location Index

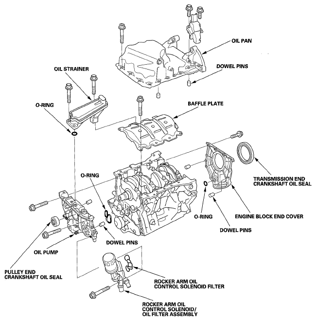
Fig 1: Identifying Engine Component Locations (1 Of 3)
G05987018Courtesy of AMERICAN HONDA MOTOR CO., INC.
Fig 2: Identifying Engine Component Locations (2 Of 3)
G05987019Courtesy of AMERICAN HONDA MOTOR CO., INC.
Fig 3: Identifying Engine Component Locations (3 Of 3)
G05987020Courtesy of AMERICAN HONDA MOTOR CO., INC.