LEMON Manuals: Even more car manuals for everyone: 1960-2025
Home >> Acura >> 2009 >> TL Base >> Repair and Diagnosis >> Engine Performance >> System >> Fuel Supply System >> Fuel Pressure Regulator Replacement >> With SH-AWD
April 5, 2026: LEMON Manuals is launched! Read the announcement.

With SH-AWD

  1. Remove the fuel tank unit (see REMOVAL (WITH SH-AWD) )
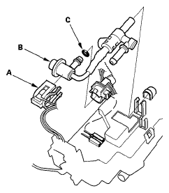
  2. Remove the bracket (A)
    Fig 1: Identifying Pressure Regulator And Bracket
    G05990421Courtesy of AMERICAN HONDA MOTOR CO., INC.
  3. Remove the pressure regulator (B)
  4. Install the parts in the reverse order of removal with new O-ring (C) When installing the fuel tank unit, align the marks on the fuel tank unit and the fuel tank (see INSTALLATION (WITH SH-AWD) )
NOTE:
  • Coat the O-rings with clean engine oil, do not use any other oil or fluid
  • Do not pinch the O-rings during installation
  • Use all the new parts supplied in the pressure regulator replacement kit