LEMON Manuals: Even more car manuals for everyone: 1960-2025
Home >> Acura >> 2009 >> TL Base >> Repair and Diagnosis >> Steering >> Power Steering >> Power Steering System >> EPS Components >> Circuit Diagram
April 5, 2026: LEMON Manuals is launched! Read the announcement.

Circuit Diagram

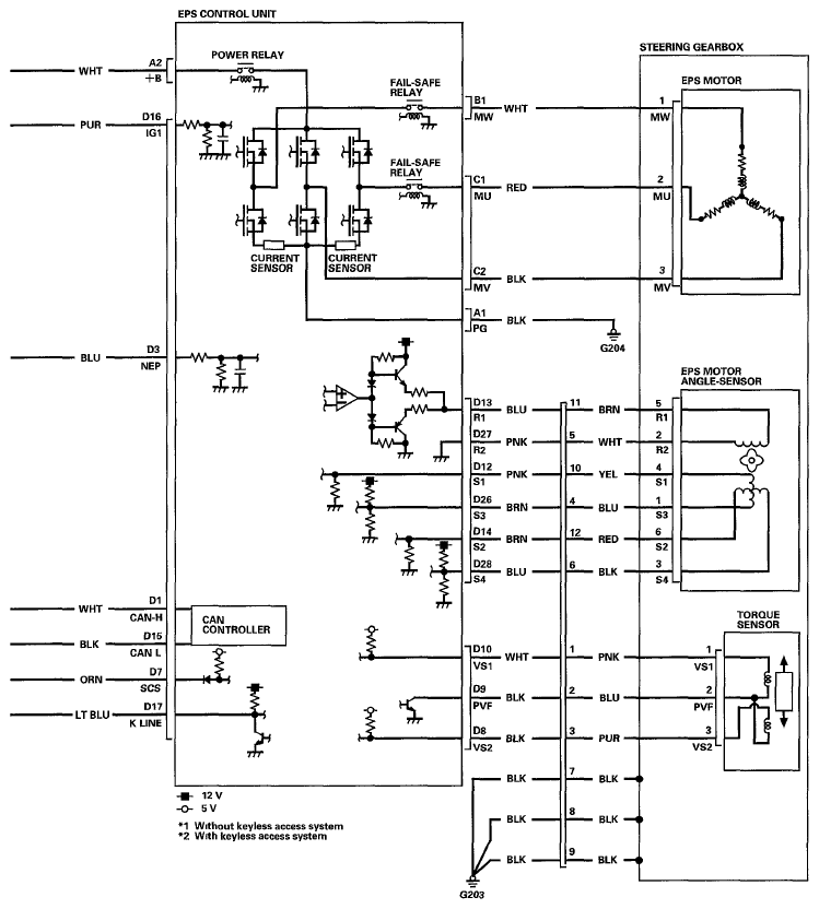
Fig 1: EPS - Circuit Diagram (1 Of 2)
G05987595Courtesy of AMERICAN HONDA MOTOR CO., INC.
Fig 2: EPS - Circuit Diagram (2 Of 2)
G05987596Courtesy of AMERICAN HONDA MOTOR CO., INC.
Fig 3: Identifying EPS Control Unit Connectors, EPS Motor-Angle Sensor Connector, Torque Sensor 3P Connector And Data Link Connector
G05987597Courtesy of AMERICAN HONDA MOTOR CO., INC.