LEMON Manuals: Even more car manuals for everyone: 1960-2025
Home >> Acura >> 2009 >> TSX L4-2.4L >> Repair and Diagnosis >> Powertrain Management >> Computers and Control Systems >> Information Bus >> Description and Operation >> System Description
April 5, 2026: LEMON Manuals is launched! Read the announcement.

System Description




Multiplex Integrated Control System Description

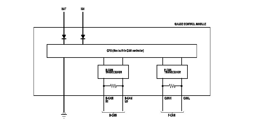
Body Controller Area Network (B-CAN) and Fast Controller Area Network (F-CAN)

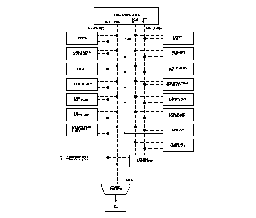
The body controller area network (B-CAN) and the fast controller area network (F-CAN) share information between multiple electronic control units (ECUs). B-CAN communication moves at a slower speed (125 kbps) for convenience related items and for other functions. F-CAN information moves at a faster speed (500 kbps) for "real time" functions such as fuel and emissions data. To allow both systems to share information, the gauge control module translates and relays the information from B-CAN to F-CAN and from F-CAN to B-CAN. This is called the Gateway Function.






Gateway Function

The gauge control module acts as a gateway to allow both systems to share information. The gauge control module translates and relays the information from B-CAN to F-CAN and from F-CAN to B-CAN.






Network "Loss of Communication" Error Checking Function

The ECUs on the CAN circuit send messages to each other. If there are any communication malfunctions on the network, the multi information display (MID) on the gauge control module can indicate the error messages by entering the gauge control module self-diagnostic function. Initial Inspection and Diagnostic Overview






Self-diagnostic Function (On-board diagnosis)

By connecting the HDS to the data link connector (DLC), the HDS can retrieve the diagnostic information from the driver's MICU via a diagnostic line called the K-LINE. The K-LINE is a separate communication line from the CAN lines, but it is connected to most of the CAN related ECUs. The driver's MICU is a gateway between the HDS and B-CAN related ECUs, and sends B-CAN diagnostic information to the HDS. When doing a function test with the HDS, the HDS sends an output signal through the K-LINE to the driver's MICU. The driver's MICU either relays the request to another ECU, or commands the function its self.






Wake-up and Sleep Function

The multiplex integrated control system has wake-up and sleep functions to decrease parasitic draw on the battery when the ignition switch is in LOCK (0).

- In the sleep mode, the multiplex integrated control system stops functioning (communication and CPU control) when it is not necessary for the system to operate.

- As soon as any operation is requested (for example, a door is unlocked), the related control units in the sleep mode immediately wake up and begin to function.

- When the ignition switch is turned to LOCK (0), and the driver's door is opened, then closed, there is a delay about 40 seconds before the control unit goes from the wake-up mode to the sleep mode.

- The sleep mode will not function if any door is open or if a key is in the ignition switch.

- The draw is reduced from 200 mA to less than 35 mA when in the sleep mode.

NOTE: Sleep and Wake-up Mode Test. Multiplex Integrated Control System Sleep and Wake-Up Mode Test

Fail-safe Function

To prevent improper operation, the MICUs have a fail-safe function. In the fail-safe mode, the output signal is fixed when any part of the system malfunctions (for example, a faulty control unit or communication line).

Each control unit has a hardware fail-safe function that fixes the output signal when there is a CPU malfunction, and a software fail-safe function that ignores the signal from a malfunctioning control unit , which allows the system to operate normally.

Hardware Fail-safe Control

Fail-safe function

When a CPU problem or an abnormal power supply voltage is detected, the MICUs move to the hardware fail-safe mode, and each system output load is set to the pre-programmed fail-safe value.

Software Fail-safe Control

When any of the data from the B-CAN circuit cannot be received within a specified time, or an unusual combination of data is recognized, the MICUs move to the software fail-safe mode. The data that was not be received is forced to a pre-programmed value.

Driver's MICU

Power Supply Voltage Monitoring Function

The driver's MICU monitors the power supply voltage (back-up voltage). If the voltage goes below 10 V, the driver's MICU will not store a DTC.





Entry Lights Control System (Ceiling Lights, Map Lights, Ignition Key Light)

The driver's MICU control of the interior light ON/OFF is based on input signals from each switch.





Collision Detection Signal (CDS)

The driver's MICU control of the door lock actuators is based on IG1 and SRS (CDS) inputs.





Key Interlock (A/T)

The driver's MICU control of the key interlock solenoid is based on ignition switch ACCESSORY (I) position, the transmission range switch P position, and the park-pin switch inputs.





Rear Window Defogger Timer Operation

The driver's MICU control of the rear window defogger timer is based on ignition switch and rear window defogger switch inputs.





Combination Light Switch

The driver's MICU control of the lighting system is based on inputs from the combination light switch.





Daytime Running Lights

The driver's MICU control of the headlights as daytime running lights is based on inputs from each switch.





Fog Lights

The driver's MICU control of fog lights is based on inputs from the fog light switch.





Headlight Auto-OFF Function

The driver's MICU control of the lighting system is based on inputs from each switch.





Turn Signal/Hazard Warning Lights

The driver's MICU control of the turn signal/hazard warning lights is based on inputs from the turn signal switch and the hazard warning switch.





Courtesy Light (Driver's side)

The driver's MICU control of the driver's and left rear door courtesy lights is based on inputs from the driver's and left rear door switches.





Wiper

The driver's MICU control of the wiper is based on inputs from each switch.





Driver's Power Window Relay

The driver's MICU control of the power windows is based on inputs from each switch.





Keyless Answer Back

The driver's MICU control of the lighting system and horns is based on keyless signals sent by the B-CAN data.





Security Answer Back

The driver's MICU control of the lighting system and horns is based on keyless signals sent by the B-CAN data.





Answer Back Response Operation

The driver's MICU control of the lighting system and horns is based on keyless signals sent by the B-CAN data.





Power Door Locks

The driver's MICU control of the door lock actuators is based on inputs from each switch.





Door Lock Response Operation

The driver's MICU control of the door lock actuators LOCK, UNLOCK, DRIVER'S UNLOCK, TRUNK UNLOCK is based on the B-CAN door lock switch signals.





Keyless Entry System

The driver's MICU control of the door lock actuators is based on inputs from each switch.





Keyless PANIC Operation

The driver's MICU control of the keyless PANIC operation is based on keyless signal sent by the B-CAN data.





Auto Power Door Locks (LOCK operation)

The driver's MICU control of the door lock actuators is based on inputs from each switch.





Auto Power Door Locks (UNLOCK operation)

The driver's MICU control of the door lock actuators is based on inputs from each switch.





Security Alarm System

The driver's MICU control of the lighting system and horns is based on inputs from each switch and the B-CAN data.





A/C Pressure Sensor

The driver's MICU sends A/C pressure sensor signal information when the ignition switch is in the IG1 position.





Passenger's MICU

Power Supply Voltage Monitoring Function

The passenger's MICU monitors the power supply voltage (back-up voltage). If the voltage goes below 10 V, the passenger's MICU will not store DTCs.





Courtesy Light (Passenger's side)

The passenger's MICU control of the front passenger and right rear door courtesy lights is based on inputs from the front passenger and right rear door switch.





Power Door Locks (LOCK)

The passenger's MICU control of the front passenger's side door lock actuators is based on inputs from the driver's MICU.





Power Door Locks (UNLOCK)

The passenger's MICU control of the front passenger's side door lock actuators is based on inputs from the driver's MICU.





Exterior Lights

The passenger's MICU control of the front passenger's side headlight, and parking lights is based on inputs from the driver's MICU.





Automatic Lighting

The passenger's MICU control of the headlights and the parking lights is based on inputs from the automatic lighting sensor.





Fog Lights

The passenger's MICU control of fog lights is based on inputs from the fog light switch.





Washer Operation

The passenger's MICU control of the washer motor is based on inputs from the wiper switch.





Keyless Buzzer Operation

The passenger's MICU control of the keyless buzzer is based on inputs from the answer back signals.





Passenger's Power Window Relay Circuit

The passenger's MICU control of the power window relay circuit in the passenger's under-dash fuse/relay box is based on inputs from the power window switches.





HDS Inputs, Outputs, and Commands

Certain inputs happen so quickly that the Data List on the HDS cannot update fast enough. Hold the switch that is being tested while monitoring the Data List. This should give the HDS time to update the signal on the Data List.

Because the HDS software is updated to support the release for newer vehicles, it is not uncommon to see system function tests that are not supported.

Make sure that the most current software is loaded.





























Function Test: