LEMON Manuals: Even more car manuals for everyone: 1960-2025
Home >> Acura >> 2009 >> TSX Standard >> Repair and Diagnosis >> Engine Performance >> System >> Advanced Diagnostics >> DTC P2101: Electronic Throttle Control System (ETCS) Malfunction >> Notes
April 5, 2026: LEMON Manuals is launched! Read the announcement.

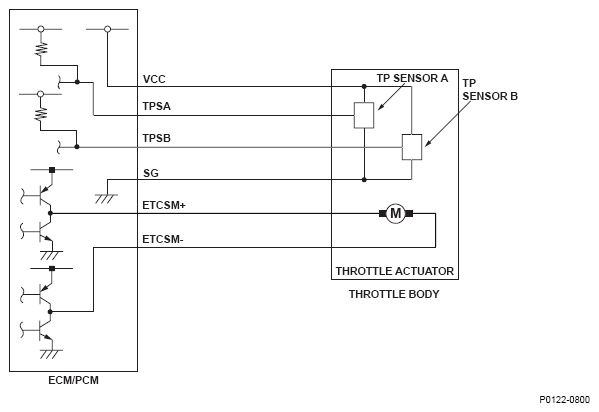
DTC P2101: Electronic Throttle Control System (ETCS) Malfunction: Notes

Fig 1: Electronic Throttle Control System (ETCS) - Circuit Diagram
G06123880Courtesy of AMERICAN HONDA MOTOR CO., INC.