LEMON Manuals: Even more car manuals for everyone: 1960-2025
Home >> Acura >> 2010 >> MDX >> Repair and Diagnosis (Single Page) >> Engine Performance >> System >> Advanced Diagnostics >> DTC P0627: Fuel Pump Control Module System Malfunction >> Notes
April 5, 2026: LEMON Manuals is launched! Read the announcement.

DTC P0627: Fuel Pump Control Module System Malfunction: Notes

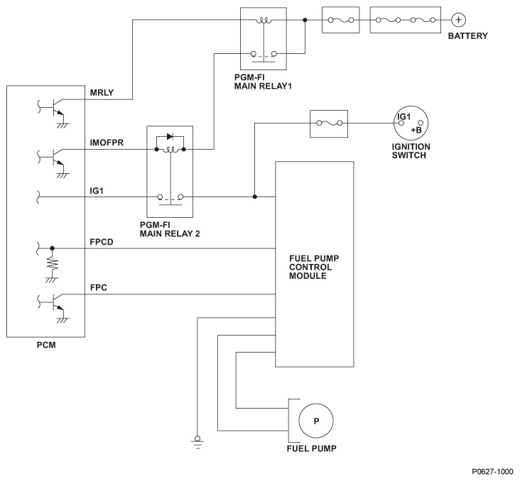
Fig 1: Fuel Pump Control Module System Diagram
G06562763Courtesy of AMERICAN HONDA MOTOR CO., INC.