LEMON Manuals: Even more car manuals for everyone: 1960-2025
Home >> Acura >> 2010 >> ZDX >> Repair and Diagnosis (Single Page) >> Transmission >> Automatic Trans >> Automatic Transmission >> Automatic Transmission >> System Description >> Shift Lock System >> Circuit Diagram - PCM A/T Control System
April 5, 2026: LEMON Manuals is launched! Read the announcement.

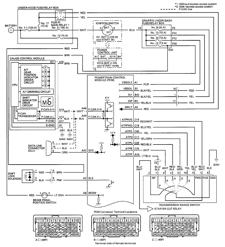
Circuit Diagram - PCM A/T Control System

Fig 1: PCM A/T Control System Circuit Diagram (1 Of 2)
G08074475Courtesy of AMERICAN HONDA MOTOR CO., INC.
Fig 2: PCM A/T Control System Circuit Diagram (2 Of 2)
G08074476Courtesy of AMERICAN HONDA MOTOR CO., INC.