LEMON Manuals: Even more car manuals for everyone: 1960-2025
Home >> Acura >> 2011 >> RDX 2.3 TB2 >> Repair and Diagnosis >> Accessories & Equipment >> Seats >> Driver Position Memory System (DPMS) >> Circuit Diagram - Power Seat
April 5, 2026: LEMON Manuals is launched! Read the announcement.

Circuit Diagram - Power Seat

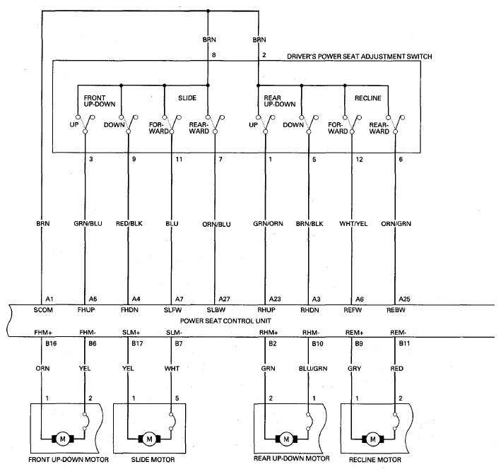
Fig 1: Power Seats - Circuit Diagram (1 Of 4)
G08061426Courtesy of AMERICAN HONDA MOTOR CO., INC.
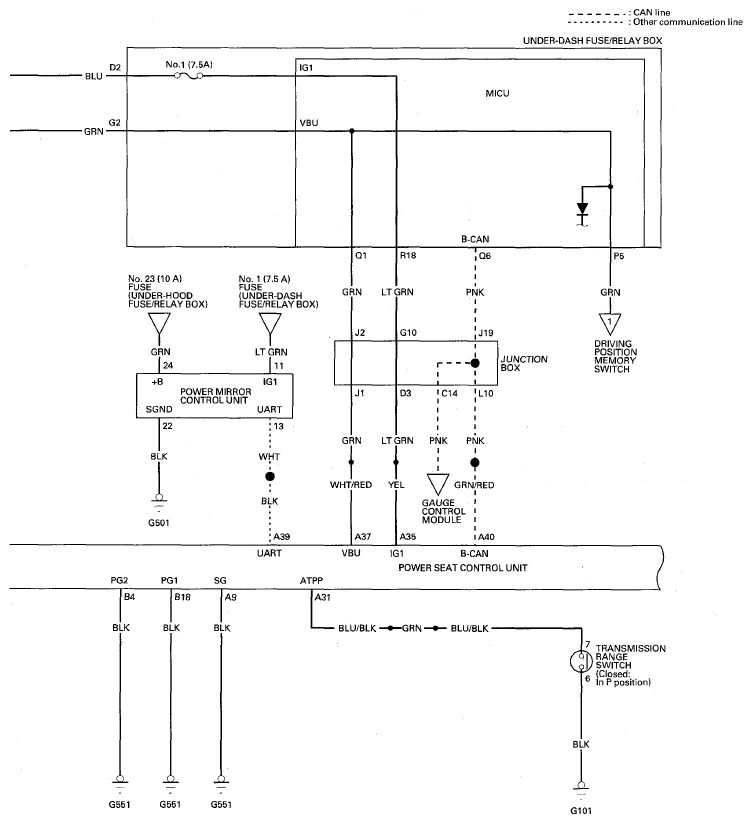
Fig 2: Power Seats - Circuit Diagram (2 Of 4)
G08061427Courtesy of AMERICAN HONDA MOTOR CO., INC.
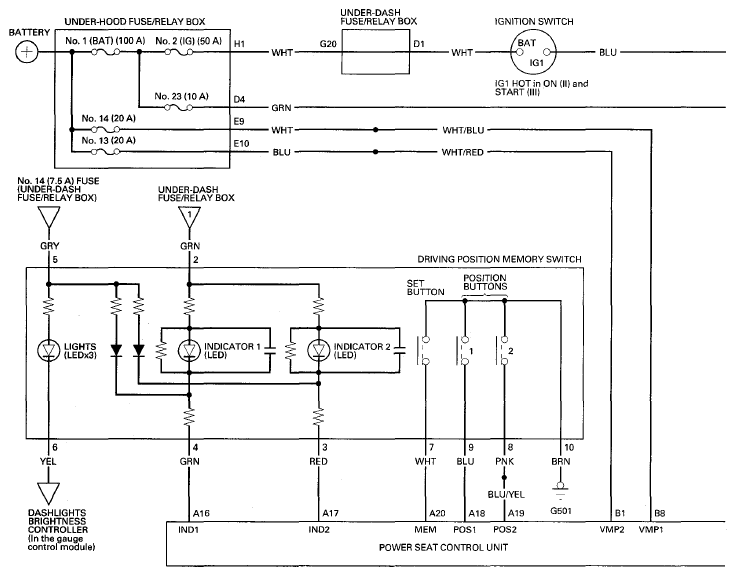
Fig 3: Power Seats - Circuit Diagram (3 Of 4)
G08061428Courtesy of AMERICAN HONDA MOTOR CO., INC.
Fig 4: Power Seats - Circuit Diagram (4 Of 4)
G08061429Courtesy of AMERICAN HONDA MOTOR CO., INC.