LEMON Manuals: Even more car manuals for everyone: 1960-2025
Home >> Acura >> 2011 >> RDX 2.3 TB2 >> Repair and Diagnosis >> Engine Performance >> System >> Fuel And Emissions Systems >> System Description >> PCM Inputs and Outputs at PCM Connector C (O) (44P) >> PCM Circuit Diagram
April 5, 2026: LEMON Manuals is launched! Read the announcement.

PCM Circuit Diagram

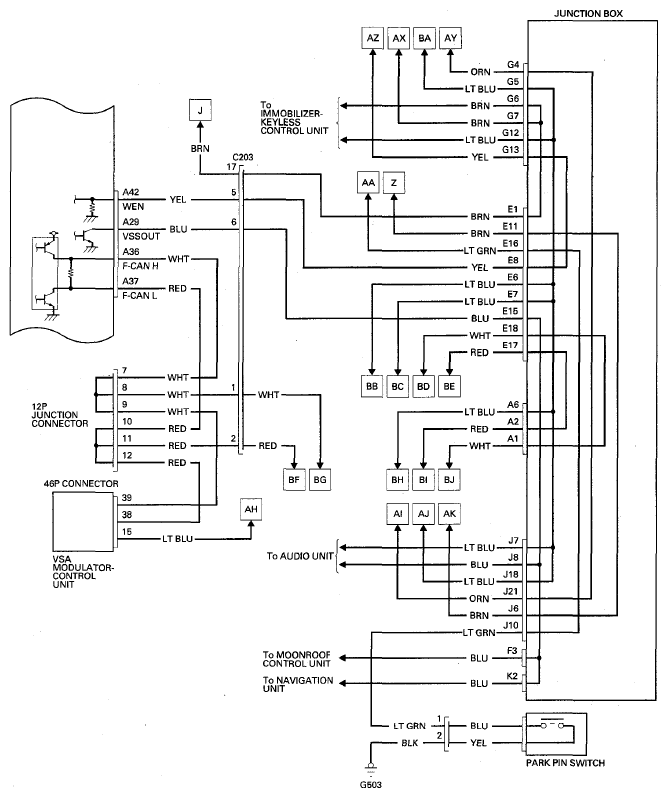
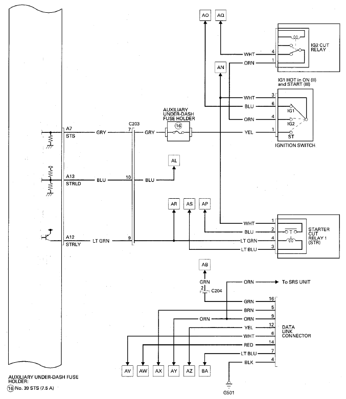
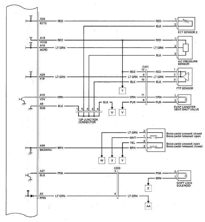
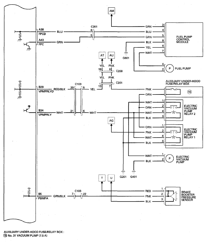
Fig 1: PCM Circuit Diagram (1 Of 15)
G08059238Courtesy of AMERICAN HONDA MOTOR CO., INC.
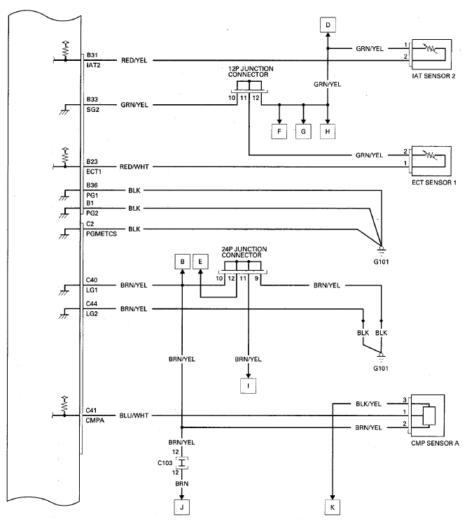
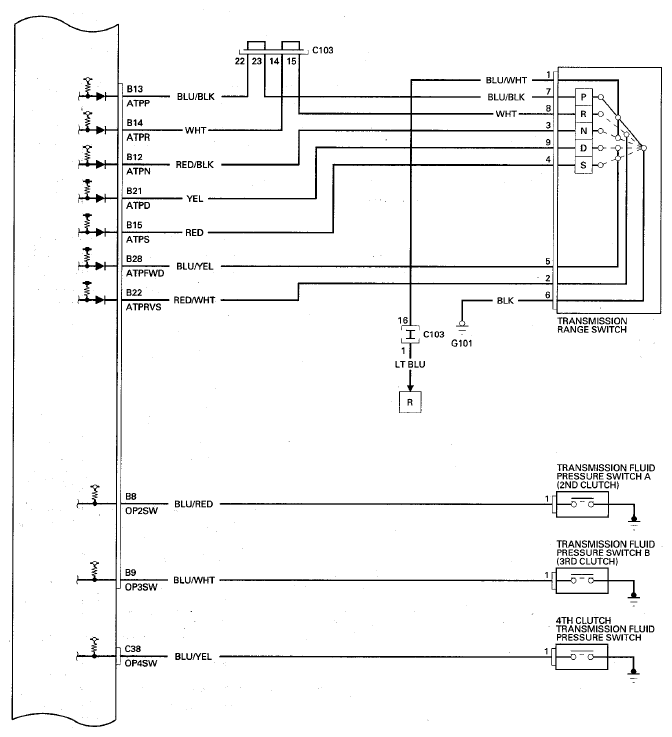
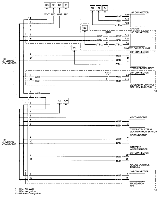
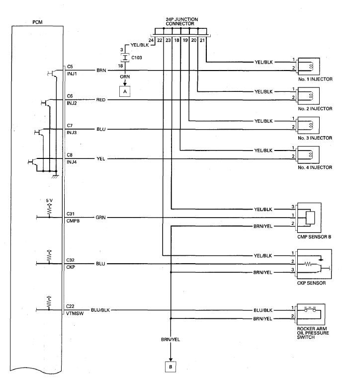
Fig 2: PCM Circuit Diagram (2 Of 15)
G08059239Courtesy of AMERICAN HONDA MOTOR CO., INC.
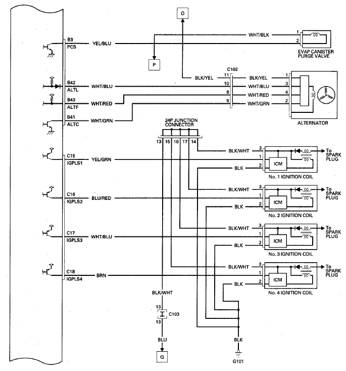
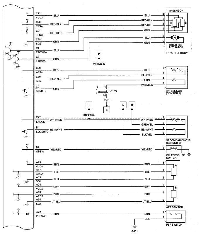
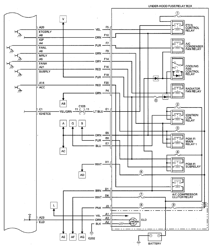
Fig 3: PCM Circuit Diagram (3 Of 15)
G08059240Courtesy of AMERICAN HONDA MOTOR CO., INC.
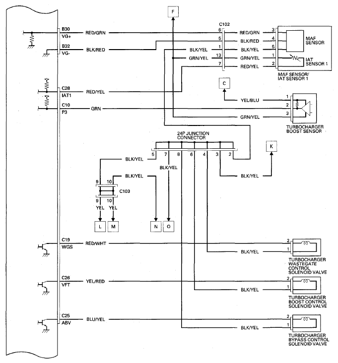
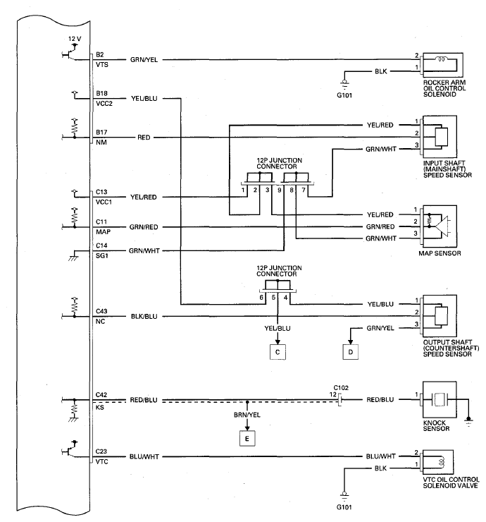
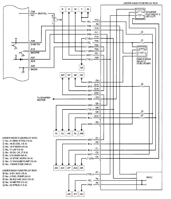
Fig 4: PCM Circuit Diagram (4 Of 15)
G08059241Courtesy of AMERICAN HONDA MOTOR CO., INC.
Fig 5: PCM Circuit Diagram (5 Of 15)
G08059242Courtesy of AMERICAN HONDA MOTOR CO., INC.
Fig 6: PCM Circuit Diagram (6 Of 15)
G08059243Courtesy of AMERICAN HONDA MOTOR CO., INC.
Fig 7: PCM Circuit Diagram (7 Of 15)
G08059244Courtesy of AMERICAN HONDA MOTOR CO., INC.
Fig 8: PCM Circuit Diagram (8 Of 15)
G08059245Courtesy of AMERICAN HONDA MOTOR CO., INC.
Fig 9: PCM Circuit Diagram (9 Of 15)
G08059246Courtesy of AMERICAN HONDA MOTOR CO., INC.
Fig 10: PCM Circuit Diagram (10 Of 15)
G08059247Courtesy of AMERICAN HONDA MOTOR CO., INC.
Fig 11: PCM Circuit Diagram (11 Of 15)
G08059248Courtesy of AMERICAN HONDA MOTOR CO., INC.
Fig 12: PCM Circuit Diagram (12 Of 15)
G08059249Courtesy of AMERICAN HONDA MOTOR CO., INC.
Fig 13: PCM Circuit Diagram (13 Of 15)
G08059250Courtesy of AMERICAN HONDA MOTOR CO., INC.
Fig 14: PCM Circuit Diagram (14 Of 15)
G08059251Courtesy of AMERICAN HONDA MOTOR CO., INC.
Fig 15: PCM Circuit Diagram (15 Of 15)
G08059252Courtesy of AMERICAN HONDA MOTOR CO., INC.