LEMON Manuals: Even more car manuals for everyone: 1960-2025
Home >> Acura >> 2011 >> RL >> Repair and Diagnosis (Single Page) >> Body & Frame >> Seats >> Driver Position Memory System (DPMS) >> Circuit Diagram - Power Mirror
April 5, 2026: LEMON Manuals is launched! Read the announcement.

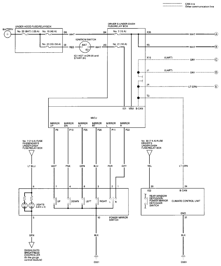
Circuit Diagram - Power Mirror

Fig 1: Power Mirror Circuit Diagram (1 Of 2)
G07363624Courtesy of AMERICAN HONDA MOTOR CO., INC.
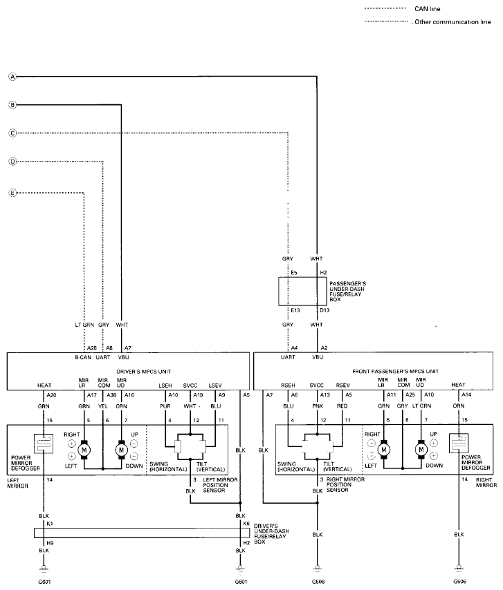
Fig 2: Power Mirror Circuit Diagram (2 Of 2)
G07363625Courtesy of AMERICAN HONDA MOTOR CO., INC.