LEMON Manuals: Even more car manuals for everyone: 1960-2025
Home >> Acura >> 2011 >> RL >> Repair and Diagnosis (Single Page) >> Body & Frame >> Seats >> Driver Position Memory System (DPMS) >> Circuit Diagram - Power Tilt/Telescopic Steering
April 5, 2026: LEMON Manuals is launched! Read the announcement.

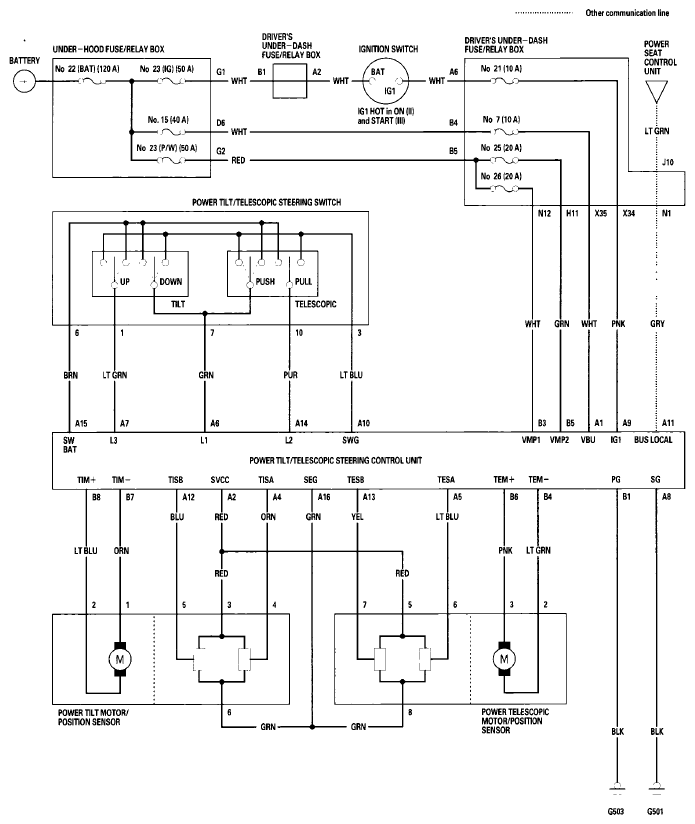
Circuit Diagram - Power Tilt/Telescopic Steering

Fig 1: Power Tilt/Telescopic Steering Circuit Diagram
G07363626Courtesy of AMERICAN HONDA MOTOR CO., INC.