LEMON Manuals: Even more car manuals for everyone: 1960-2025
Home >> Acura >> 2011 >> RL >> Repair and Diagnosis >> Engine Performance >> System >> Advanced Diagnostics -- RL >> DTC P0401: Exhaust Gas Recirculation (EGR) Insufficient Flow Detected >> Notes
April 5, 2026: LEMON Manuals is launched! Read the announcement.

DTC P0401: Exhaust Gas Recirculation (EGR) Insufficient Flow Detected: Notes

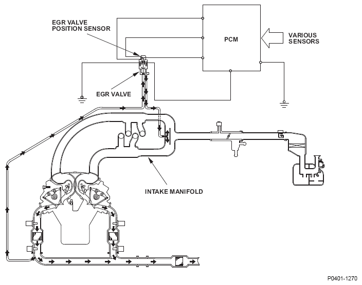
Fig 1: Exhaust Gas Recirculation (EGR) Diagram
G08547033
Fig 2: Exhaust Gas Recirculation (EGR) Characteristics Graph
G06123600