LEMON Manuals: Even more car manuals for everyone: 1960-2025
Home >> Acura >> 2011 >> TL Base >> Repair and Diagnosis >> Accessories & Equipment >> Seats >> Driver Position Memory System (DPMS) >> Circuit Diagram >> Notes
April 5, 2026: LEMON Manuals is launched! Read the announcement.

Circuit Diagram: Notes

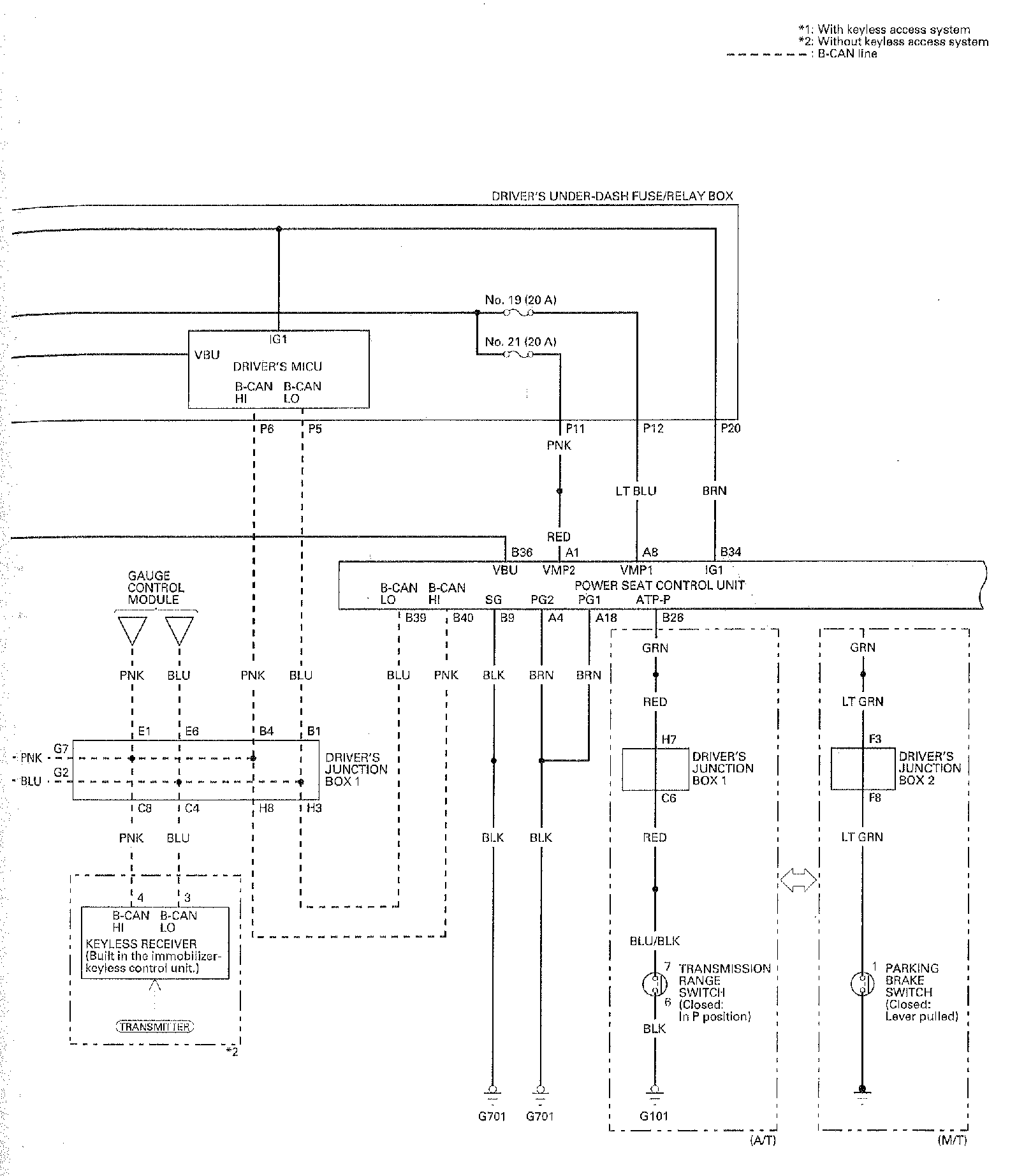
Fig 1: DPMS - Circuit Diagram (1 Of 4)
G05989184Courtesy of AMERICAN HONDA MOTOR CO., INC.
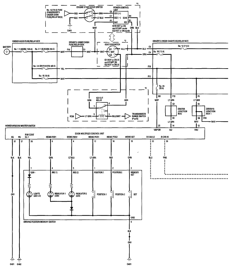
Fig 2: DPMS - Circuit Diagram (2 Of 4)
G00490020Courtesy of AMERICAN HONDA MOTOR CO., INC.
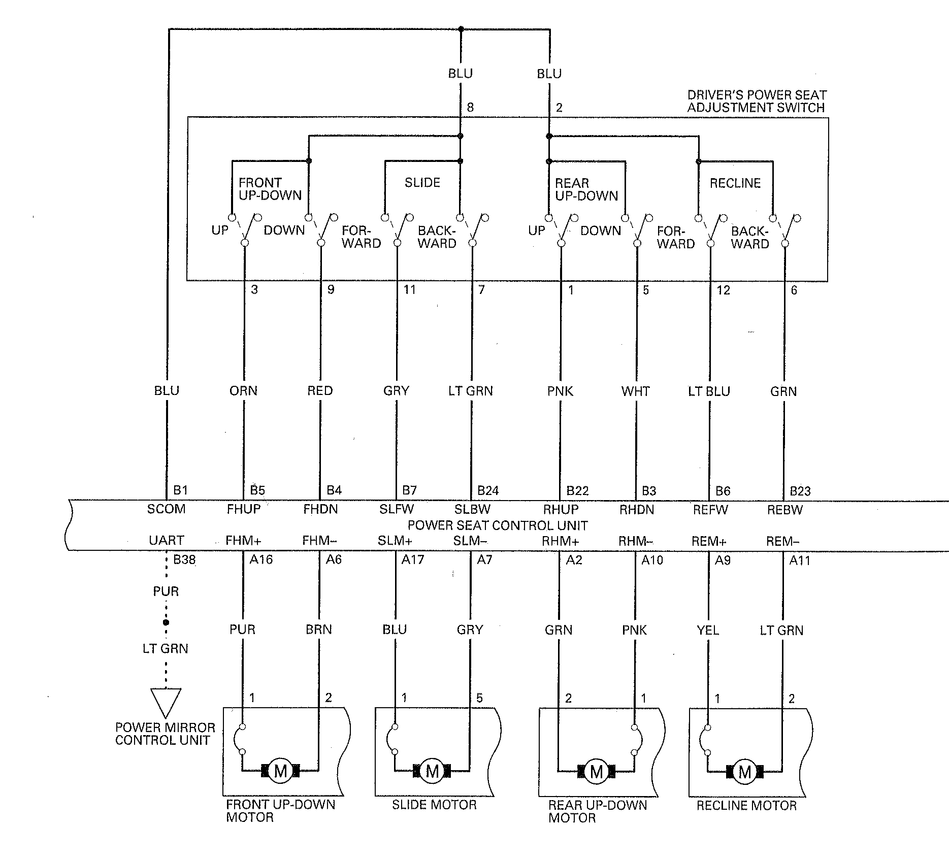
Fig 3: DPMS - Circuit Diagram (3 Of 4)
G00490021Courtesy of AMERICAN HONDA MOTOR CO., INC.
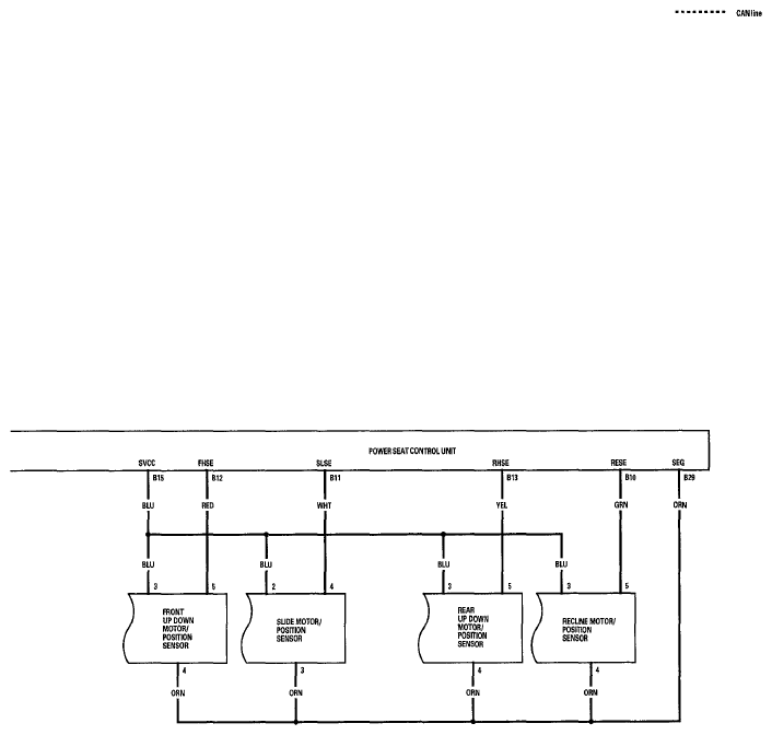
Fig 4: DPMS - Circuit Diagram (4 Of 4)
G05989187Courtesy of AMERICAN HONDA MOTOR CO., INC.