LEMON Manuals: Even more car manuals for everyone: 1960-2025
Home >> Acura >> 2011 >> TL Base >> Repair and Diagnosis >> Engine Performance >> System >> Intake Air System >> Throttle Body Removal/Installation
April 5, 2026: LEMON Manuals is launched! Read the announcement.

Throttle Body Removal/Installation

CAUTION: Do not insert your fingers into the installed throttle body when you turn the ignition switch to ON (II)/press the engine start/stop button, or while the ignition switch is ON (II)/vehicle in ON mode If you do, you will seriously injure your fingers if the throttle valve is activated
NOTE: If you are replacing or cleaning the throttle body, begin at step 1 If you are removing the throttle body temporarily, begin at step 4
  1. Connect the HDS while the engine is stopped
  2. Select the INSPECTION MENU with the HDS
  3. Do the TP POSITION CHECK in the ETCS TEST
  4. Turn the ignition switch to LOCK (0), or press the engine start/stop button to select the OFF mode
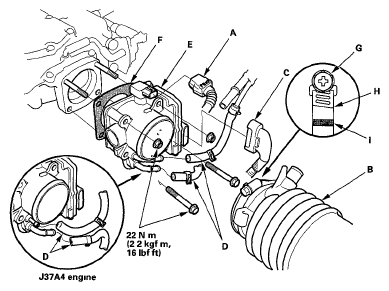
  5. Disconnect the MAP sensor connector (A)
    Fig 1: MAP Sensor Connector, Intake Air Duct, Throttle Body Connector, Water Bypass Hoses And Throttle Body With Torque Specifications
    G05990474Courtesy of AMERICAN HONDA MOTOR CO., INC.
  6. Remove the intake air duct (B)
  7. Disconnect the throttle body connector (C)
  8. Disconnect and plug the water bypass hoses (D), then remove the throttle body (E)
  9. Install the parts in the reverse order of removal with a new gasket (F)
    NOTE:
    • When tightening the screw of the hose band (G), align the edge of the hose band (H) with the mark (I) painted on the hose band
    • After the installation, refill the radiator with engine coolant (see COOLANT CHECK )
  10. Do the PCM idle learn procedure (see PCM IDLE LEARN PROCEDURE )