DTC P1731: Problem in Shift Control System: Notes
- Shift Solenoid Valve E Stuck ON
- Shift Valve E Stuck
- A/T Clutch Pressure Control Solenoid Valve A Stuck OFF
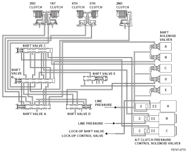
HYDRAULIC PRESSURE SUPPLY TO CLUTCH BY SHIFT SOLENOID VALVE OUTPUT (D POSITION)
| Gear position (N: Neutral) |
N-1st | 1st | 1st-2nd | 2nd | 2nd-3rd | 3rd | 3rd-4th | 4th | 4th-5th | 5th | |
| Shift solenoid valve | A | OFF | ON | OFF | OFF | OFF | OFF | OFF | ON | ON | ON |
| B | ON | ON | ON | ON | ON | OFF | OFF | OFF | OFF | OFF | |
| C | ON | ON | ON | OFF | ON | ON | OFF | OFF | OFF | ON | |
| D | OFF | OFF | OFF | ON | ON | OFF | OFF | OFF | ON | ON | |
| E | OFF | OFF | OFF | OFF/ON | OFF/ON | OFF/ON | OFF/ON | OFF/ON | OFF/ON | OFF/ON | |
| 1st clutch | CPC A | LINE | CPC A | CPC A | |||||||
| 2nd clutch | CPC B | CPC B | LINE | CPC B | CPC A | ||||||
| 3rd clutch | CPC C | CPC C | CPC C | CPC C | CPC C | ||||||
| 4th clutch | CPC B | CPC B | CPC B | ||||||||
| 5th clutch | CPC C | CPC C | |||||||||
| LINE : Line pressure CPC A: A/T clutch pressure control solenoid valve A pressure CPC B: A/T clutch pressure control solenoid valve B pressure CPC C: A/T clutch pressure control solenoid valve C pressure |
|||||||||||