LEMON Manuals: Even more car manuals for everyone: 1960-2025
Home >> Acura >> 2012 >> MDX >> Repair and Diagnosis >> Body & Frame >> Windows >> Power Windows >> Circuit Diagram
April 5, 2026: LEMON Manuals is launched! Read the announcement.

Circuit Diagram

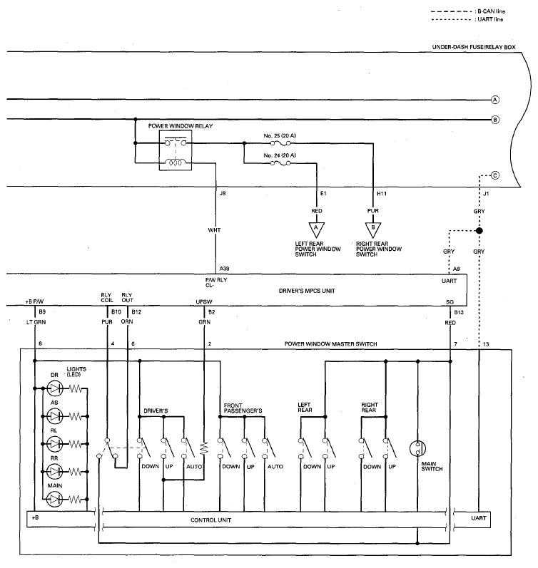
Fig 1: Identifying Power Windows Circuit Diagram (1 Of 3)
G08055390Courtesy of AMERICAN HONDA MOTOR CO., INC.
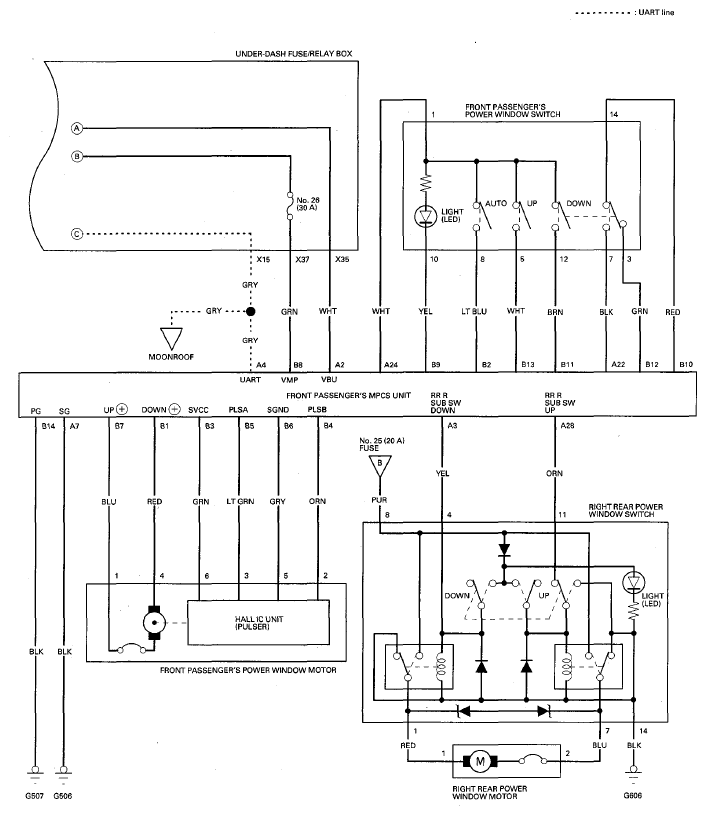
Fig 2: Identifying Power Windows Circuit Diagram (2 Of 3)
G08055391Courtesy of AMERICAN HONDA MOTOR CO., INC.
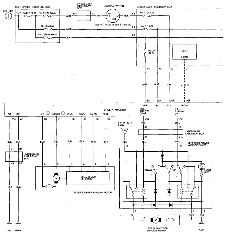
Fig 3: Identifying Power Windows Circuit Diagram (3 Of 3)
G08055392Courtesy of AMERICAN HONDA MOTOR CO., INC.