LEMON Manuals: Even more car manuals for everyone: 1960-2025
Home >> Acura >> 2012 >> MDX >> Repair and Diagnosis >> Brakes >> Traction Control >> VSA System Components >> Circuit Diagram
April 5, 2026: LEMON Manuals is launched! Read the announcement.

Circuit Diagram

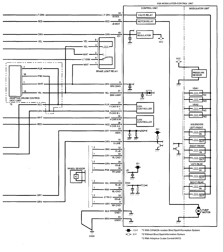
Fig 1: VSA Circuit Diagram (1 Of 2)
G08053116Courtesy of AMERICAN HONDA MOTOR CO., INC.
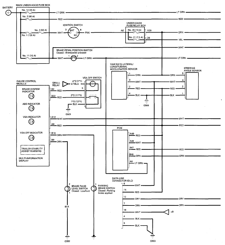
Fig 2: VSA Circuit Diagram (2 Of 2)
G08053117Courtesy of AMERICAN HONDA MOTOR CO., INC.
Fig 3: Identifying VSA Connector Terminals
G08053118Courtesy of AMERICAN HONDA MOTOR CO., INC.