LEMON Manuals: Even more car manuals for everyone: 1960-2025
Home >> Acura >> 2012 >> MDX >> Repair and Diagnosis >> Engine Performance >> System >> Fuel And Emissions Systems >> General Troubleshooting Information >> CKP Pattern Clear/CKP Pattern Learn >> How to Troubleshoot Circuits at the PCM Connectors
April 5, 2026: LEMON Manuals is launched! Read the announcement.

How to Troubleshoot Circuits at the PCM Connectors

NOTE: The PCM overwrites data and monitors the EVAP system for up to an hour after the ignition switch is turned to LOCK (0). Jumping the SCS line after turning the ignition switch to LOCK (0) cancels this function. Disconnecting the PCM during this function, without jumping the SCS line first, can damage the PCM.
  1. Jump the SCS line with the HDS.
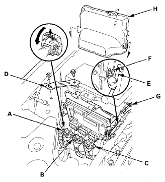
  2. Remove the auxiliary under-hood fuse/relay box (A) from the stay (B), then remove the bolt (C).
    Fig 1: Identifying Auxiliary Under-Hood Fuse/Relay Box, Stay And Bolt
    G08052419Courtesy of AMERICAN HONDA MOTOR CO., INC.
  3. Remove the bracket (D), then free the A/C discharge line (E) from the clip (F) and remove the A/C suction line mounting bracket bolt (G).
    Fig 2: Disconnecting PCM Connectors
    G08052420Courtesy of AMERICAN HONDA MOTOR CO., INC.
  4. Remove the cover (H), then disconnect PCM connectors A, B, and C.
    NOTE: PCM connectors A, B, and C have symbols (A=□, B=Δ , C=◦) embossed on them for identification.
  5. When diagnosis/troubleshooting is done at the PCM connector, use the terminal test port (A) above the terminal you need to check.
    Fig 3: Identifying PCM Connector And Terminal Test Port
    G08052421Courtesy of AMERICAN HONDA MOTOR CO., INC.
  6. Connect one side of the patch cord terminals (A) to a commercially available digital multimeter (B), and connect the other side of the terminals (C) to a commercially available banana jack (Pomona Electronics Tool No. 3563 or equivalent) (D).
    Fig 4: Connecting One Side Of Patch Cord Terminals To Digital Multimeter
    G08052422Courtesy of AMERICAN HONDA MOTOR CO., INC.
  7. Gently insert the pin probe (male) at the terminal test port from the terminal side. Do not force the tips into the terminals.
    NOTE:
    • For accurate results, always use the pin probe (male).
    • To prevent damage to the connector terminals, do not insert test equipment probes, paper clips, or other substitutes. Damaged terminals cause a poor connection and an incorrect measurement.
    • Do not puncture the insulation on a wire. Punctures can cause poor or intermittent electrical connections.