LEMON Manuals: Even more car manuals for everyone: 1960-2025
Home >> Acura >> 2012 >> MDX >> Repair and Diagnosis >> Engine Performance >> System >> Fuel And Emissions Systems >> System Description >> PCM Inputs and Outputs at PCM Connector C (◦) (49P) >> PCM Electrical Connections
April 5, 2026: LEMON Manuals is launched! Read the announcement.

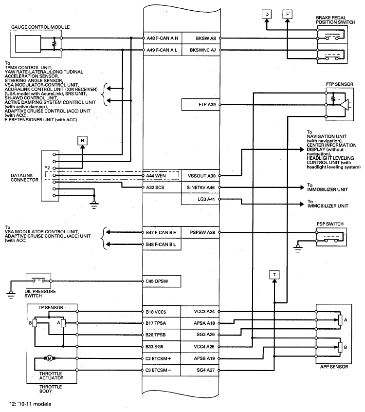
PCM Electrical Connections

Fig 1: PCM Electrical Connections Diagram (1 Of 6)
G08052440Courtesy of AMERICAN HONDA MOTOR CO., INC.
NOTE: Check the label on the PCM to see if it was made by Keihin or Continental. Refer to the GENERAL TROUBLESHOOTING INFORMATION  for more details.
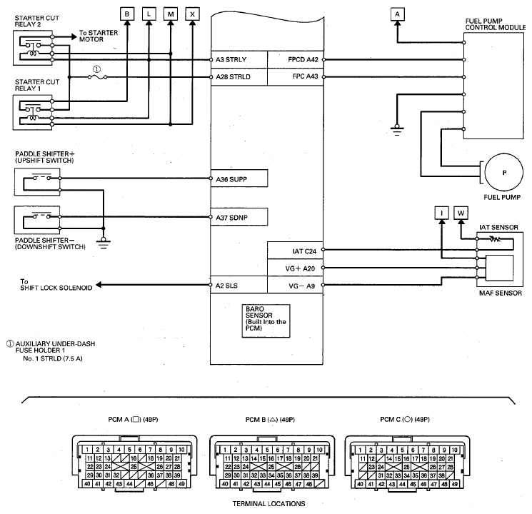
Fig 2: PCM Electrical Connections Diagram (2 Of 6)
G08052441Courtesy of AMERICAN HONDA MOTOR CO., INC.
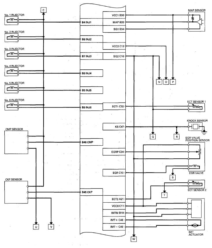
Fig 3: PCM Electrical Connections Diagram (3 Of 6)
G08052442Courtesy of AMERICAN HONDA MOTOR CO., INC.
Fig 4: PCM Electrical Connections Diagram (4 Of 6)
G08052443Courtesy of AMERICAN HONDA MOTOR CO., INC.
Fig 5: PCM Electrical Connections Diagram (5 Of 6)
G08052444Courtesy of AMERICAN HONDA MOTOR CO., INC.
Fig 6: PCM Electrical Connections Diagram (6 Of 6)
G08052445Courtesy of AMERICAN HONDA MOTOR CO., INC.