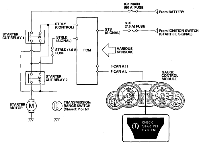
Starter Control System Diagram
The starter control system controls the starter motor.
- When the ignition switch is turned to START (III), the PCM applies current to starter cut relay 1 (STR) and starter cut relay 2, then battery voltage is applied to the starter motor to run it.
- Once the ignition switch is released, the PCM keeps the starter motor running until the engine starts. If the PCM detects that the engine starts, the PCM stops applying current to the relays, and the starter motor stops.
- If you turn the ignition switch to START (III) while the engine is running, the starter motor does not operate.
- In these cases, the PCM stops the starter motor:
- After the starter motor operates for 10 seconds (to prevent the starter motor from overheating).
- If the engine rpm is too high during starter motor operation.
- If there is a problem with the starter control system, a message appears on the gauge display. When the warning message is terned on, the vehicle can only be started by turning and holding the ignition switch in the start position until the engine.