LEMON Manuals: Even more car manuals for everyone: 1960-2025
Home >> Acura >> 2012 >> MDX >> Repair and Diagnosis >> Engine Performance >> Testing & Diagnosis >> Advanced Diagnostics >> DTC P0401: Exhaust Gas Recirculation (EGR) Insufficient Flow >> Notes
April 5, 2026: LEMON Manuals is launched! Read the announcement.

DTC P0401: Exhaust Gas Recirculation (EGR) Insufficient Flow: Notes

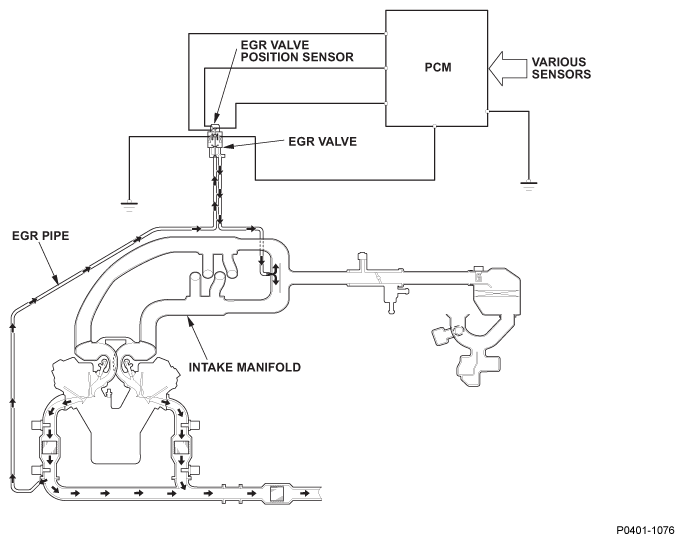
Fig 1: Exhaust Gas Recirculation (EGR)
G06562714
Fig 2: Exhaust Gas Recirculation Characteristics (Normal Operation And System Failure)
G06123600