LEMON Manuals: Even more car manuals for everyone: 1960-2025
Home >> Acura >> 2012 >> MDX >> Repair and Diagnosis >> Engine Performance >> Testing & Diagnosis >> Advanced Diagnostics >> DTC P0627: Fuel Pump Control Module System Malfunction >> Notes
April 5, 2026: LEMON Manuals is launched! Read the announcement.

DTC P0627: Fuel Pump Control Module System Malfunction: Notes

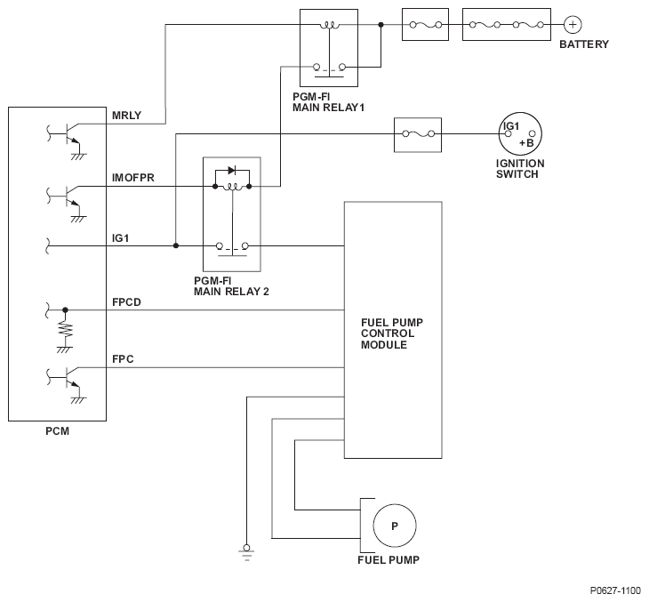
Fig 1: Fuel Pump Control Module System Diagram
G08519443