LEMON Manuals: Even more car manuals for everyone: 1960-2025
Home >> Acura >> 2012 >> MDX >> Repair and Diagnosis >> Engine Performance >> Testing & Diagnosis >> Advanced Diagnostics >> DTC P0685: Powertrain Control Module (PCM) Power Control Circuit/Internal Circuit Malfunction >> Notes
April 5, 2026: LEMON Manuals is launched! Read the announcement.

DTC P0685: Powertrain Control Module (PCM) Power Control Circuit/Internal Circuit Malfunction: Notes

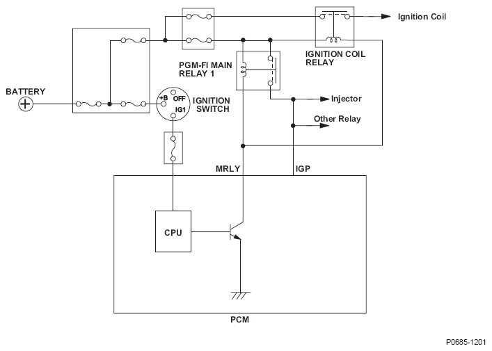
Fig 1: Powertrain Control Module Power Control Circuit
G08519449