LEMON Manuals: Even more car manuals for everyone: 1960-2025
Home >> Acura >> 2012 >> MDX >> Repair and Diagnosis >> Engine Performance >> Testing & Diagnosis >> Fuel And Emissions Systems >> General Troubleshooting Information >> CKP Pattern Clear/CKP Pattern Learn >> Substituting the PCM
April 5, 2026: LEMON Manuals is launched! Read the announcement.

Substituting the PCM

Special Tools Required 

Any one of the above updating tools can be used.

NOTE:
  • Use this procedure when you have to substitute a known-good PCM during troubleshooting procedures.
  • Make sure the HDS/iN workstation or the MVCI has the latest HDS software version.
  1. Connect the HDS to the data link connector (DLC) (A) located under the driver's side of the dashboard.
    Fig 1: Identifying Data Link Connector
    G08052423Courtesy of AMERICAN HONDA MOTOR CO., INC.
  2. Turn the ignition switch to ON (II).
  3. Make sure the HDS communicates with the PCM and other vehicle systems. If it doesn't, go to the DLC circuit troubleshooting (see DLC CIRCUIT TROUBLESHOOTING ). If you are returning from DLC circuit troubleshooting, skip steps 4 and  5, then clean the throttle body (see THROTTLE BODY TEST ) after substituting the PCM.
  4. Select the INSPECTION MENU with the HDS.
  5. Select the ETCS TEST, then select the TP POSITION CHECK, and follow the screen prompts.
    NOTE: If the TP POSITION CHECK indicates FAILED, continue this procedure.
  6. Turn the ignition switch to LOCK (0).
  7. Jump the SCS line with the HDS.
  8. Remove the auxiliary under-hood fuse/relay box (A) from the stay (B), then remove the bolt (C).
    Fig 2: Identifying Auxiliary Under-Hood Fuse/Relay Box, Stay And Bolt
    G08052424Courtesy of AMERICAN HONDA MOTOR CO., INC.
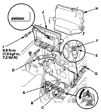
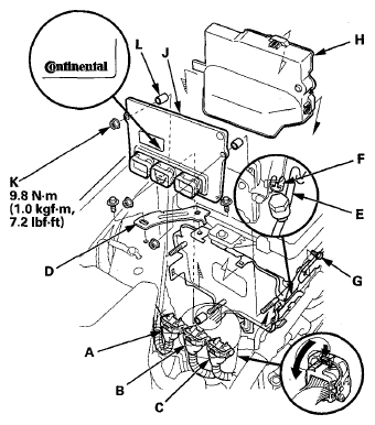
  9. Remove the bracket (D), then free the A/C discharge line (E) from the clip (F) and remove the A/C suction line mounting bracket bolt (G).

    Keihin PCM 

    Fig 3: A/C Discharge Line, Bracket And Clip (Keihin PCM) With Torque Specifications
    G08052425Courtesy of AMERICAN HONDA MOTOR CO., INC.

    Continental PCM 

    Fig 4: A/C Discharge Line, Bracket And Clip (Continental PCM) With Torque Specifications
    G08052426Courtesy of AMERICAN HONDA MOTOR CO., INC.
  10. Remove the cover (H), then disconnect PCM connectors A, B, and C.
    NOTE: PCM connectors A, B, and C have symbols (A=□, B=Δ , C=◦) embossed on them for identification.
  11. Keihin PCM: Remove the bolts (I), then remove the PCM (J).
  12. Continental PCM: Remove the nuts (K), then remove the PCM (J).
  13. Continental PCM: Remove the spacers (L).
  14. Install a known-good PCM in the reverse order of removal.
  15. Turn the ignition switch to ON (II).
    NOTE: DTC P0630 (VIN Not Programmed or Mismatch) may be stored because the VIN has not been programmed into the PCM; ignore it, and continue this procedure.
  16. Manually input the VIN to the PCM with the HDS.
  17. Select the IMMOBI SYSTEM with the HDS.
  18. Enter the immobilizer PCM code that you got from the iN, and use the PCM replacement procedure in the IMMOBI MENU of the HDS; it allows you to start the engine.
  19. Reset the PCM with the HDS.
  20. If the TP POSITION CHECK failed in step  5, clean the throttle body (see THROTTLE BODY TEST ).
  21. Update the PCM if it does not have the latest software (see KNOCK SENSOR REPLACEMENT ).
  22. Do the PCM idle learn procedure (see PCM IDLE LEARN PROCEDURE ).
  23. Do the CKP pattern clear/CKP pattern learn procedure.