LEMON Manuals: Even more car manuals for everyone: 1960-2025
Home >> Acura >> 2012 >> MDX >> Repair and Diagnosis >> Transmission >> Automatic Trans >> Automatic Transmission >> System Description >> Shift Lock System >> Circuit Diagram - PCM A/T Control System - Continental PCM
April 5, 2026: LEMON Manuals is launched! Read the announcement.

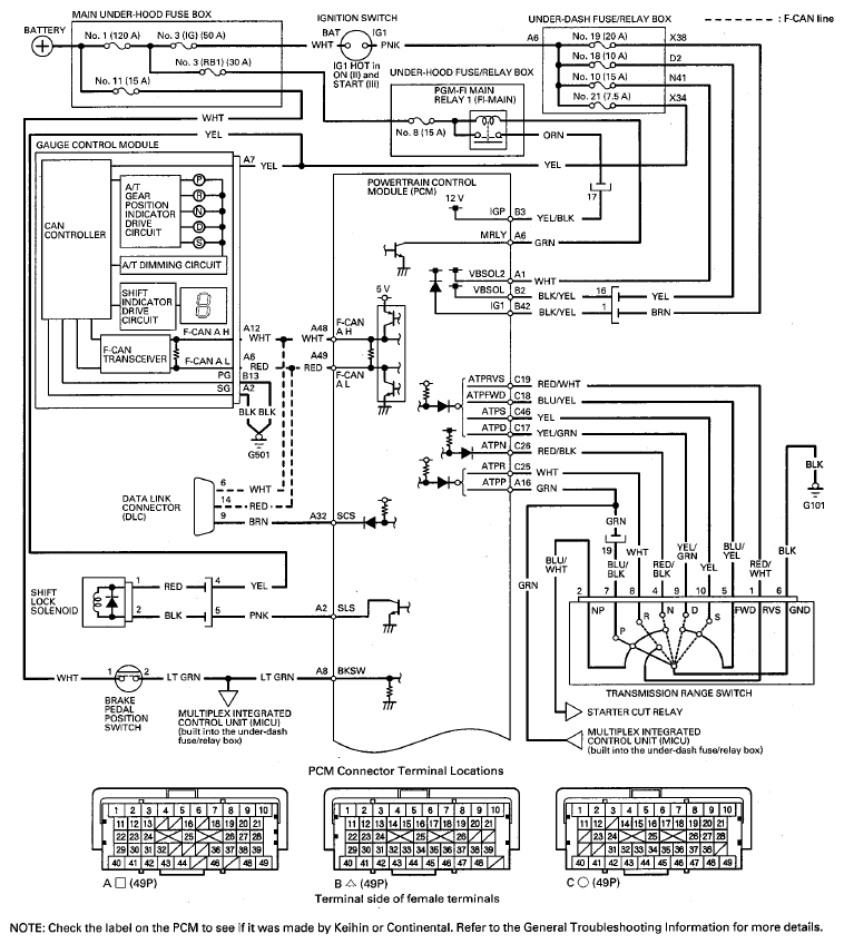
Circuit Diagram - PCM A/T Control System - Continental PCM

Fig 1: PCM A/T Control System Circuit Diagram - Continental PCM (1 Of 2)
G08057253Courtesy of AMERICAN HONDA MOTOR CO., INC.
NOTE: Check the label on the PCM to see if it was made by Keihin or Continental. Refer to the GENERAL TROUBLESHOOTING INFORMATION  for more details.
Fig 2: PCM A/T Control System Circuit Diagram - Continental PCM (2 Of 2)
G08057254Courtesy of AMERICAN HONDA MOTOR CO., INC.
NOTE: Check the label on the PCM to see if it was made by Keihin or Continental. Refer to the GENERAL TROUBLESHOOTING INFORMATION  for more details.