LEMON Manuals: Even more car manuals for everyone: 1960-2025
Home >> Acura >> 2012 >> RL V6-3.7L >> Repair and Diagnosis >> Body and Frame >> Locks >> Keyless Entry >> Description and Operation >> How The Power Door Locks/Keyless Entry/Security System Circuit Works
April 5, 2026: LEMON Manuals is launched! Read the announcement.

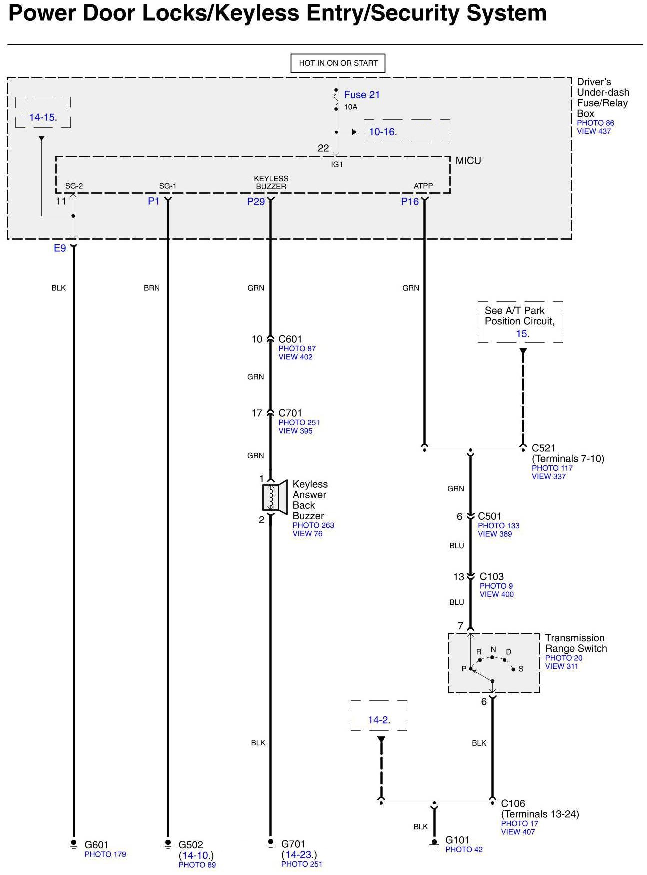
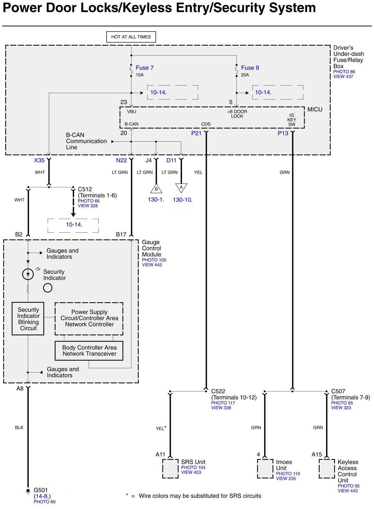
How The Power Door Locks/Keyless Entry/Security System Circuit Works



















































Diagrams: Other diagrams referred to by number (See Diagram ##-#, etc.) within these diagrams can be found at Diagrams by Number. Diagrams By Number

Locations: Location photographs (references to PHOTOS) referred to within these diagrams can be found at Locations by Photo Number. Component Locations

Connector Views: Connector terminal views (references to VIEWS) referred to within these diagrams can be found at Connector Views by View Number. Connector Views By View Number