LEMON Manuals: Even more car manuals for everyone: 1960-2025
Home >> Acura >> 2012 >> TL AWD V6-3.7L >> Repair and Diagnosis >> Powertrain Management >> Computers and Control Systems >> Description and Operation >> Fuel And Emissions System Description - Electronic Throttle Control System
April 5, 2026: LEMON Manuals is launched! Read the announcement.

Fuel And Emissions System Description - Electronic Throttle Control System




Fuel and Emissions System Description - Electronic Throttle Control System

Electronic Throttle Control System

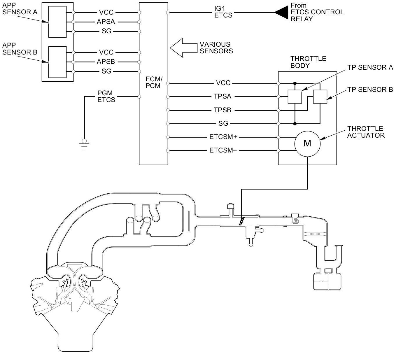
The throttle is electronically controlled. Refer to the system diagram to see a functional layout of the system.

Idle control: When the engine is idling, the ECM/PCM controls the throttle actuator to maintain the proper idle speed according to engine loads.

Acceleration control: When the accelerator pedal is pressed, the ECM/PCM opens the throttle valve based on the accelerator pedal position (APP) sensor signal.

Cruise control: The ECM/PCM controls the throttle actuator to maintain the set speed when cruise control is operating. The throttle actuator takes the place of the cruise control actuator.

Accelerator Pedal Position (APP) Sensor

As the accelerator pedal position changes, the sensor varies the signal voltage to the ECM/PCM which then controls the throttle position.






Throttle Body

The throttle body is a single-barrel side draft type. The lower portion of the throttle valve is heated by engine coolant from the cylinder head to prevent icing of the throttle plate.






Electronic Throttle Control System Diagram

The electronic throttle control system consists of the throttle actuator, throttle position (TP) sensor A/B, accelerator pedal position (APP) sensor A/B, the electronic throttle control system (ETCS) control relay, and the ECM/PCM.