LEMON Manuals: Even more car manuals for everyone: 1960-2025
Home >> Acura >> 2012 >> TL Base >> Repair and Diagnosis (Single Page) >> Engine Performance >> System >> Fuel And Emissions Systems >> System Description >> ECM/PCM Electrical Connections
April 5, 2026: LEMON Manuals is launched! Read the announcement.

ECM/PCM Electrical Connections

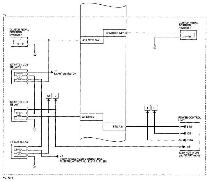
Fig 1: ECM/PCM Electrical Connections Circuit Diagram (1 Of 7)
G08069279Courtesy of AMERICAN HONDA MOTOR CO., INC.
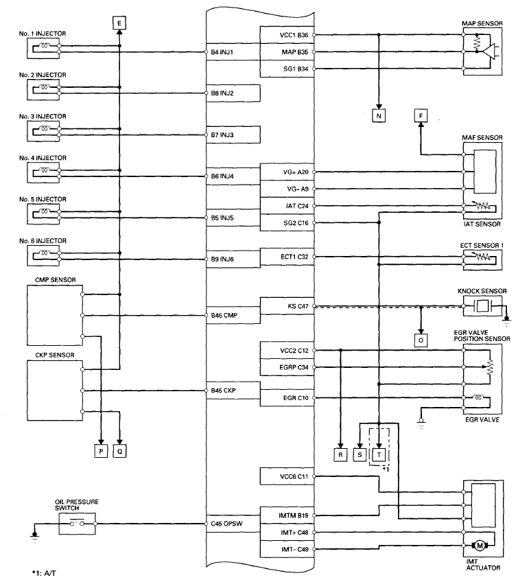
Fig 2: ECM/PCM Electrical Connections Circuit Diagram (2 Of 7)
G08069280Courtesy of AMERICAN HONDA MOTOR CO., INC.
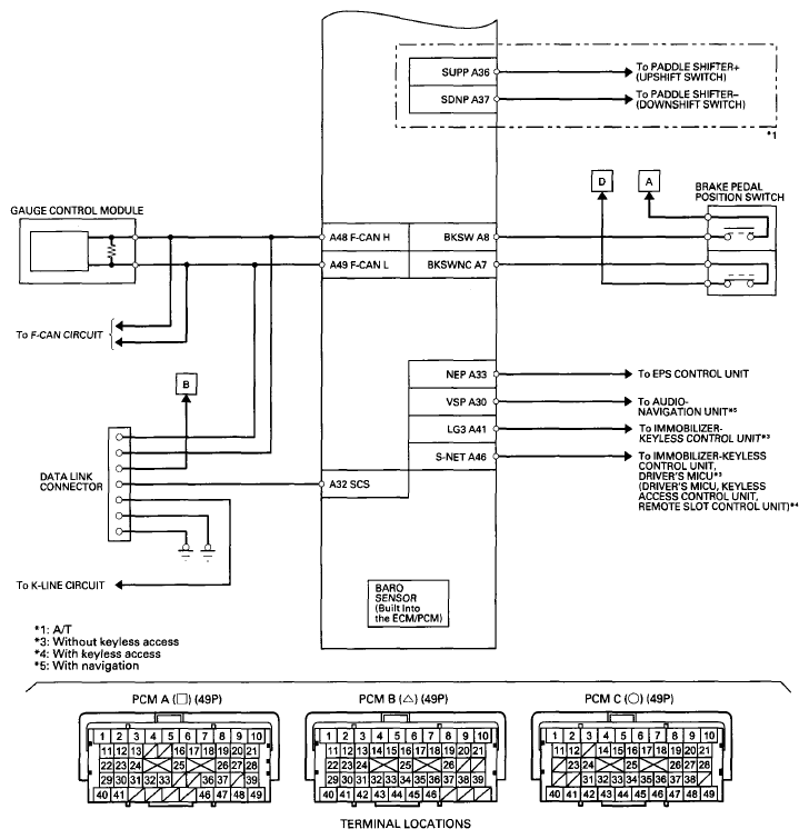
Fig 3: ECM/PCM Electrical Connections Circuit Diagram (3 Of 7)
G08069281Courtesy of AMERICAN HONDA MOTOR CO., INC.
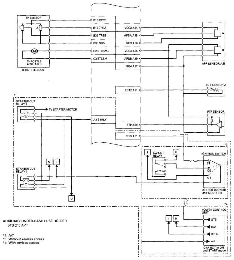
Fig 4: ECM/PCM Electrical Connections Circuit Diagram (4 Of 7)
G08069282Courtesy of AMERICAN HONDA MOTOR CO., INC.
Fig 5: ECM/PCM Electrical Connections Circuit Diagram (5 Of 7)
G08069283Courtesy of AMERICAN HONDA MOTOR CO., INC.
Fig 6: ECM/PCM Electrical Connections Circuit Diagram (6 Of 7)
G08069284Courtesy of AMERICAN HONDA MOTOR CO., INC.
Fig 7: ECM/PCM Electrical Connections Circuit Diagram (7 Of 7)
G08069285Courtesy of AMERICAN HONDA MOTOR CO., INC.