LEMON Manuals: Even more car manuals for everyone: 1960-2025
Home >> Acura >> 2012 >> TL Base >> Repair and Diagnosis >> Accessories & Equipment >> Cruise Control Systems >> Circuit Diagram >> Without Keyless Access System
April 5, 2026: LEMON Manuals is launched! Read the announcement.

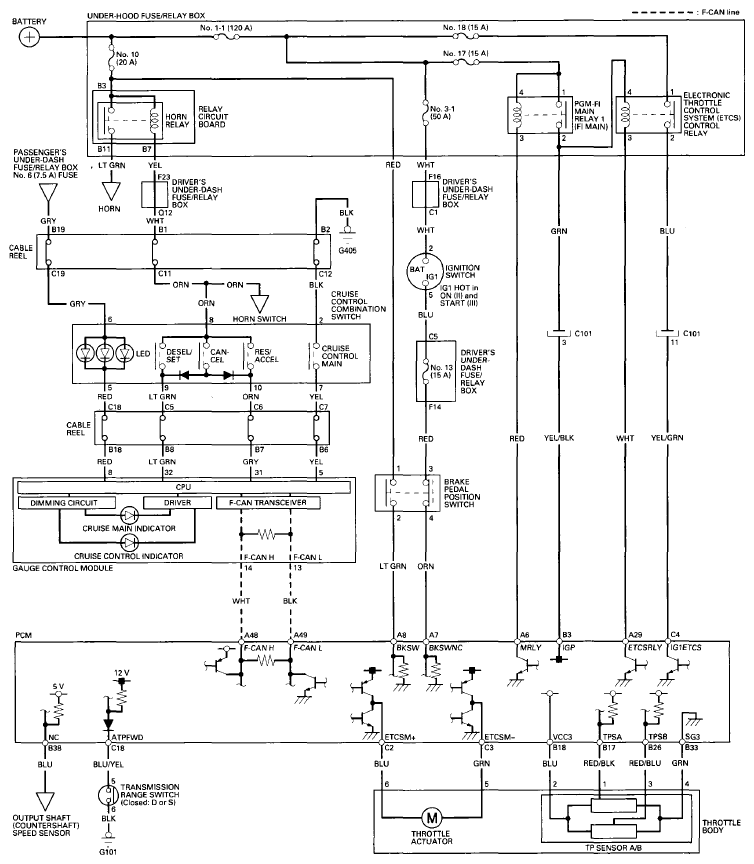
Without Keyless Access System

Fig 1: Cruise Control System Circuit Diagram (Without Keyless Access System)
G08067235Courtesy of AMERICAN HONDA MOTOR CO., INC.