LEMON Manuals: Even more car manuals for everyone: 1960-2025
Home >> Acura >> 2012 >> TL Base >> Repair and Diagnosis >> Brakes >> Traction Control >> VSA System Components >> Circuit Diagram >> Without SH-AWD
April 5, 2026: LEMON Manuals is launched! Read the announcement.

Without SH-AWD

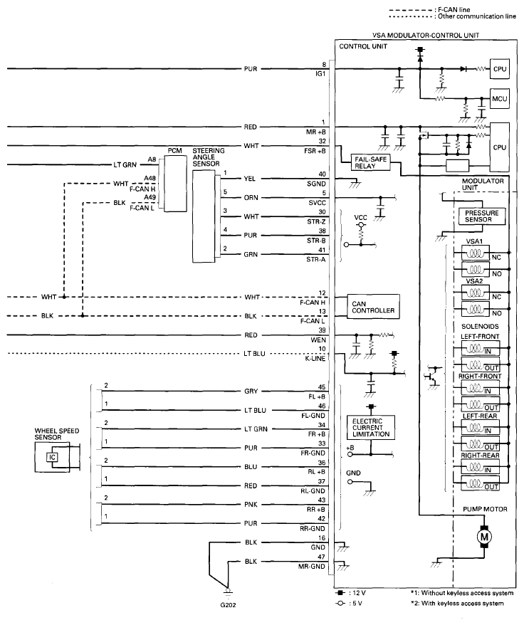
Fig 1: VSA System (Without SH-AWD) - Circuit Diagram (1 Of 2)
G08067153Courtesy of AMERICAN HONDA MOTOR CO., INC.
Fig 2: VSA System (Without SH-AWD) - Circuit Diagram (2 Of 2)
G08067154Courtesy of AMERICAN HONDA MOTOR CO., INC.