LEMON Manuals: Even more car manuals for everyone: 1960-2025
Home >> Acura >> 2012 >> TL Base >> Repair and Diagnosis >> Transmission >> Automatic Trans >> Automatic Transmission >> Shift Lock Stop/Shift Lock Stop Cushion Replacement
April 5, 2026: LEMON Manuals is launched! Read the announcement.

Shift Lock Stop/Shift Lock Stop Cushion Replacement

NOTE: Make sure not to get any silicone grease on the terminal part of the connectors and switches, especially if you have silicone grease on your hands or gloves.
  1. Remove the shift lock solenoid (see SHIFT LOCK SOLENOID REPLACEMENT  ).
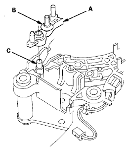
  2. Remove the shift lock stop (A) and the stop cushion (B) as a set.
    Fig 1: Identifying Shift Lock Stop, Stop Cushion And Pin
    G08066671Courtesy of AMERICAN HONDA MOTOR CO., INC.
  3. Apply silicone grease to the pin (C) on the shift lever bracket, and install new shift lock stop over the pin.
  4. Install the shift lock solenoid (see SHIFT LOCK SOLENOID REPLACEMENT  ).