LEMON Manuals: Even more car manuals for everyone: 1960-2025
Home >> Acura >> 2012 >> ZDX >> Repair and Diagnosis (Single Page) >> Engine Performance >> System >> Advanced Diagnostics >> DTC P0506: Idle Control System RPM Lower Than Expected >> Notes
April 5, 2026: LEMON Manuals is launched! Read the announcement.

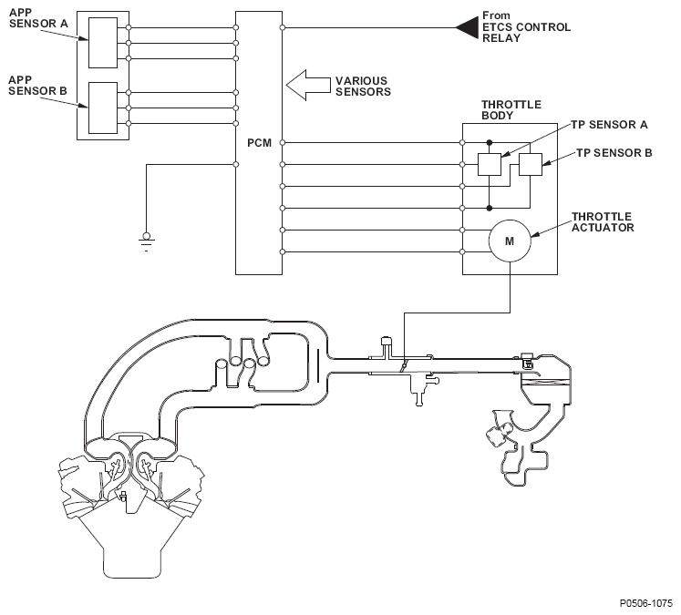
DTC P0506: Idle Control System RPM Lower Than Expected: Notes

Fig 1: Idle Control System Diagram
G06616917Courtesy of AMERICAN HONDA MOTOR CO., INC.
Fig 2: Idle Speed Graph During Normal Operation And System Failure
G04836268Courtesy of AMERICAN HONDA MOTOR CO., INC.