LEMON Manuals: Even more car manuals for everyone: 1960-2025
Home >> Acura >> 2012 >> ZDX >> Repair and Diagnosis >> Electrical >> Charging Systems >> Charging System >> Circuit Diagram >> With Keyless Access System
April 5, 2026: LEMON Manuals is launched! Read the announcement.

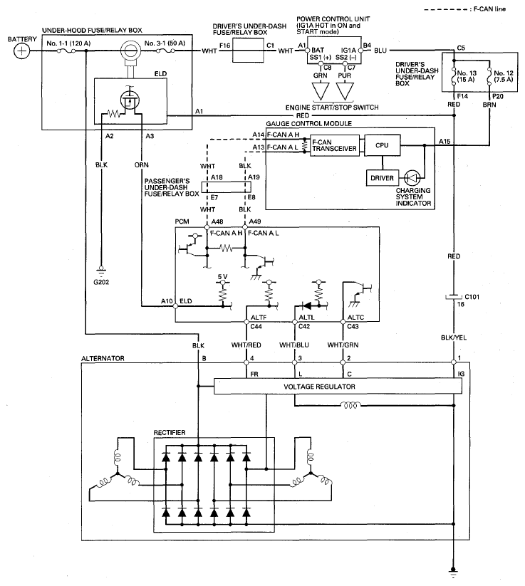
With Keyless Access System

Fig 1: Charging System Circuit Diagram - With Keyless Access System
G08074377Courtesy of AMERICAN HONDA MOTOR CO., INC.