LEMON Manuals: Even more car manuals for everyone: 1960-2025
Home >> Acura >> 2012 >> ZDX >> Repair and Diagnosis >> Engine Mechanical >> Mechanical >> Engine Assembly >> Engine Installation
April 5, 2026: LEMON Manuals is launched! Read the announcement.

Engine Installation

Special Tools Required 

*: Available through the Acura Tool and Equipment program 888-424-6857.

  1. Install the engine mount bracket and the accessory brackets, then tighten their bolts to the specified torque.
    Fig 1: Engine Mount Bracket Replacement Components With Torque Specifications
    G08072766Courtesy of AMERICAN HONDA MOTOR CO., INC.
  2. Position the engine/transmission under the vehicle. Be sure that they are properly aligned. Carefully lower the vehicle until the engine/transmission are properly positioned in the engine compartment. Make sure the vehicle is not resting on any part of the engine/transmission. Support the engine/transmission with a chain hoist (A) and carefully raise the engine/transmission into place.
    NOTE: Reinstall the mounting bolts/support nuts in the sequence given in the following steps. Failure to follow this sequence may cause excessive noise and vibration, and reduce engine mount life.
    Fig 2: Lifting Engine/Transmission With Chain Hoist
    G08072767Courtesy of AMERICAN HONDA MOTOR CO., INC.
  3. Remove the service caps (A) for the front damper flange nuts from the cowl cover (B). Position the engine hanger adapter set (VSB02C000031) with the "FRONT" mark facing forward over the damper flange nuts.
    Fig 3: Identifying Front Damper Flange Nuts, Service Caps And Cowl Cover
    G08072768Courtesy of AMERICAN HONDA MOTOR CO., INC.
  4. Install the engine hanger balance bar (VSB02C000019). Attach the front arm (A) to the front cylinder head with several spacers (B) and a 10 x 1.25 mm bolt (C), attach the rear arm (D) to the rear cylinder head with a spacer (E) and an 8 x 1.25 mm bolt (F).
    Fig 4: Installing Engine Hanger Balance Bar (VSB02C000019)
    G08072769Courtesy of AMERICAN HONDA MOTOR CO., INC.
  5. Install the engine support hanger (AAR-T1256) onto the vehicle as shown, and attach the hook to the slotted hole in the engine hanger balance bar. Tighten the wing nut (G) by hand, and lift and support the engine/transmission.
    NOTE:
    • Be careful when working around the windshield.
    • Be careful not to damage the hood opener cable when installing the engine support hanger at the front bulkhead.
    • AAR-T1256 two sets required for stacking additional cross section bar.
  6. Install the new mounting bolts into the upper half of the side engine mount bracket. Tighten the bolts to the specified torque.
    Fig 5: Identifying Upper Half Of Side Engine Mount Bracket And Mounting Bolts
    G08072770Courtesy of AMERICAN HONDA MOTOR CO., INC.
  7. Remove the chain hoist, then raise the vehicle on the lift.
  8. Using the subframe adapter (VSB02C000016) and a transmission jack, raise the front subframe up to the body.
    Fig 6: Raising Front Subframe Up To Body Using Subframe Adapter (VSB02C000016) And Transmission Jack
    G08072771Courtesy of AMERICAN HONDA MOTOR CO., INC.
  9. Loosely install the new front subframe mounting bolts (four) (A), the 12 x 1.25 mm bolts (four) (B), new bolts (two) (C), and the stiffeners (D).
  10. Align the front subframe with the subframe alignment pin (see FRONT SUBFRAME ALIGNMENT ).
  11. Remove the transmission jack and the subframe adapter.
  12. Tighten the lower transmission mount mounting bolts (A) and the ground cable (B).
    Fig 7: Identifying Lower Transmission Mount Mounting Bolts And Ground Cable
    G08072772Courtesy of AMERICAN HONDA MOTOR CO., INC.
  13. Tighten the rear engine mount base mounting bolts (A) and new mounting bolts (B), then install the power steering line bracket (C).
    Fig 8: Identifying Rear Engine Mount Base Mounting Bolts
    G08072773Courtesy of AMERICAN HONDA MOTOR CO., INC.
  14. Lower the vehicle on the lift.
  15. Remove the engine support hanger, the engine hanger balance bar, and the engine hanger adapter set, then install the service caps to the cowl cover.
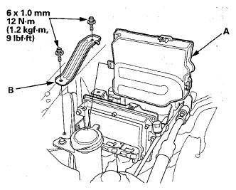
  16. Tighten the new front engine mount bolt (A), then install the new front engine mount stop mounting nuts (B) and connect the front engine mount control solenoid valve hose (C).
    Fig 9: Identifying Front Engine Mount Bolt And Front Engine Mount Stop Mounting Nuts
    G08072774Courtesy of AMERICAN HONDA MOTOR CO., INC.
  17. Loosen the mounting bolts for the upper half of the side engine mount bracket, then retighten them to the specified torque.
    Fig 10: Identifying Upper Half Of Side Engine Mount Bracket Mounting Bolts
    G08072775Courtesy of AMERICAN HONDA MOTOR CO., INC.
  18. Install the A/C compressor (A), then connect the A/C compressor clutch connector (B).
    Fig 11: Identifying A/C Compressor Clutch Connector And A/C Compressor
    G08072776Courtesy of AMERICAN HONDA MOTOR CO., INC.
  19. Install the radiator (see RADIATOR REPLACEMENT ).
  20. Raise the vehicle on the lift.
  21. With active damper system: Connect the front suspension stroke sensor connectors (A) and install the harness clamps (B) on both sides.
    Fig 12: Identifying Front Suspension Stroke Sensor Connectors And Harness Clamps
    G08072777Courtesy of AMERICAN HONDA MOTOR CO., INC.
  22. Connect the power steering fluid hose (A) to the line (B), and secure the hose with its hose clamp (C).
    Fig 13: Identifying Power Steering Fluid Hose To Line
    G08072778Courtesy of AMERICAN HONDA MOTOR CO., INC.
  23. Connect the PSP switch connector (A).
    Fig 14: Identifying PSP Switch Connector
    G08072779Courtesy of AMERICAN HONDA MOTOR CO., INC.
  24. With ECPS: Connect the ECPS valve motor connector (A).
    Fig 15: Identifying ECPS Valve Motor Connector
    G08072780Courtesy of AMERICAN HONDA MOTOR CO., INC.
  25. Install the transfer assembly (see TRANSFER ASSEMBLY INSTALLATION ).
  26. Install the propeller shaft onto the transfer shaft flange (see PROPELLER SHAFT INSTALLATION ).
  27. Wipe the driveshaft clean. Install a new set ring on the end of each driveshaft, then install the driveshafts (see FRONT DRIVESHAFT INSTALLATION ). Make sure each ring "clicks" into place in the differential and the intermediate shaft.
  28. Connect the suspension lower arms to the knuckles (see step 4 under LOWER ARM REMOVAL/INSTALLATION ).
  29. Connect the tie-rod end ball joints to the knuckles (see step 33 under STEERING GEARBOX INSTALLATION ).
  30. Connect the stabilizer links to the dampers (see BUSHING REPLACEMENT ).
  31. Install exhaust pipe A using new gaskets (B) and new self-locking nuts (C).
    Fig 16: Identifying Exhaust Pipe A And Self-Locking Nuts
    G08072781Courtesy of AMERICAN HONDA MOTOR CO., INC.
  32. Install the front subframe stiffener (A) using new bolts (B).
    Fig 17: Identifying Front Subframe Stiffener And Bolts
    G08072782Courtesy of AMERICAN HONDA MOTOR CO., INC.
  33. Install the splash shield (see FRONT SPLASH SHIELD REPLACEMENT ) and the engine undercover (see ENGINE UNDERCOVER REPLACEMENT ).
  34. Install the front wheels.
  35. Lower the vehicle on the lift.
  36. Connect the heater hoses (A).
    Fig 18: Identifying Heater Hoses
    G08072783Courtesy of AMERICAN HONDA MOTOR CO., INC.
  37. Install the connector bracket (A) to the front cylinder head.
    Fig 19: Identifying Front Cylinder Head And Connector Bracket
    G08072784Courtesy of AMERICAN HONDA MOTOR CO., INC.
  38. Install the engine mount control solenoid valve bracket (A) to the rear cylinder head.
    Fig 20: Identifying Engine Mount Control Solenoid Valve Bracket And Bolt
    G08072785Courtesy of AMERICAN HONDA MOTOR CO., INC.
  39. Connect the power steering pump outlet hose (A) with a new O-ring (B), and connect the power steering pump inlet hose (C).
    Fig 21: Identifying Power Steering Pump Outlet Hose And O-Ring
    G08072786Courtesy of AMERICAN HONDA MOTOR CO., INC.
  40. Install the power steering hose bracket (D) to the rear cylinder head cover.
  41. Install the drive belt (see DRIVE BELT REPLACEMENT ).
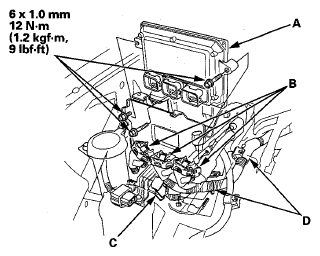
  42. Install the PCM bracket (A) and the harness bracket (B), then install the A/C receiver line clamp (C) and the connector (D) to the PCM bracket.
    Fig 22: Identifying PCM Bracket, Harness Bracket And A/C Receiver Line Clamp
    G08072787Courtesy of AMERICAN HONDA MOTOR CO., INC.
  43. Install the PCM (A), then connect the PCM connectors (B) and the engine wire harness connector (C) and install the harness clamps (D).
    Fig 23: Identifying PCM Connectors, Engine Wire Harness Connector And Harness Clamps
    G08072788Courtesy of AMERICAN HONDA MOTOR CO., INC.
  44. Install the PCM cover (A), then installthe bracket (B).
    Fig 24: Identifying PCM Cover And Bracket
    G08072789Courtesy of AMERICAN HONDA MOTOR CO., INC.
  45. Connect the positive alternator cable (A) to the under-hood fuse/relay box and install the harness clamps (B).
    Fig 25: Identifying Positive Alternator Cable And Harness Clamps
    G08072790Courtesy of AMERICAN HONDA MOTOR CO., INC.
  46. Align the reference mark (A) on the steering joint (B) and the steering gearbox pinion shaft (C). Connect the steering joint to the steering gearbox pinion shaft. Loosely the steering joint bolts (D), then remove the steering wheel holder tool.
    Fig 26: Identifying Reference Mark On Steering Joint And Steering Gearbox Pinion Shaft
    G08072791Courtesy of AMERICAN HONDA MOTOR CO., INC.
  47. Install the steering joint cover (E).
  48. Tighten the steering joint bolts.
  49. Connect the brake booster vacuum hose (A), the EVAP canister hose (B), and the breather hose (C).
    Fig 27: Identifying Brake Booster Vacuum Hose, EVAP Canister Hose And Breather Hose
    G08072792Courtesy of AMERICAN HONDA MOTOR CO., INC.
  50. Connect the EVAP canister purge valve connector (D).
  51. Connect the fuel feed hose (A), then install the quick-connect fitting cover (B) (see FUEL LINE/QUICK-CONNECT FITTING INSTALLATION ).
    Fig 28: Identifying Fuel Feed Hose And Quick-Connect Fitting Cover
    G08072793Courtesy of AMERICAN HONDA MOTOR CO., INC.
  52. Install the shift cable (see SHIFT CABLE REPLACEMENT ).
  53. Install the harness clamps (A), then connect the positive starter cable (B) and the connector (C). Make sure the crimped side of the ring terminal faces away from the starter when you connect it.
    Fig 29: Identifying Positive Starter Cable And Harness Clamps
    G08072794Courtesy of AMERICAN HONDA MOTOR CO., INC.
  54. Install the battery base (A), then install the harness clamp (B) and the bolts (C).
    Fig 30: Identifying Battery Base, Harness Clamp And Bolts
    G08072795Courtesy of AMERICAN HONDA MOTOR CO., INC.
  55. Install the auxiliary under-hood fuse/relay box (A) and the harness clamps (B), then install the battery heat shield (C).
    Fig 31: Identifying Auxiliary Under-Hood Fuse/Relay Box And Harness Clamps
    G08072796Courtesy of AMERICAN HONDA MOTOR CO., INC.
  56. Install the air cleaner (see AIR CLEANER ELEMENT INSPECTION/REPLACEMENT ).
  57. Install the engine cover.
    Fig 32: Identifying Engine Cover
    G08072797Courtesy of AMERICAN HONDA MOTOR CO., INC.
  58. Do the battery installation procedure (see BATTERY REMOVAL AND INSTALLATION ).
  59. Install the bulkhead cover (see FRONT BULKHEAD COVER REPLACEMENT ).
  60. Inspect for fuel leaks. Turn the ignition switch to ON (II) (do not operate the starter) so the fuel pump runs for about 2 seconds and pressurizes the fuel line. Repeat this operation three times, then check for fuel leaks at any point in the fuel line.
  61. Refill the engine with engine oil (see ENGINE OIL REPLACEMENT ).
  62. Refill the transmission with ATF (see step 10 under ATF REPLACEMENT ).
  63. Move the shift lever to each gear, and verify that the A/T gear position indicator follows the transmission range switch.
  64. Refill the reservoir with power steering fluid (see FLUID CHECK/REPLACEMENT ).
  65. Refill the radiator with engine coolant (see COOLANT CHECK ).
  66. Do the power steering system bleeding procedure (see step 4 under FLUID CHECK/REPLACEMENT ).
  67. Do the cooling system bleeding procedure (see step 7 under COOLANT REPLACEMENT ).
  68. Remove the hood prop bar, then reattach the hood support strut on the pivot bolt (see step 2 under HOOD SUPPORT STRUT REPLACEMENT )
  69. Install the passenger's side front fender trim (see FRONT FENDER TRIM REPLACEMENT ).
  70. Check for fluid leaks.
  71. Do the PCM reset procedure (see IF THE MIL DID NOT STAY ON ).
  72. Do the CKP pattern clear/CKP pattern learn procedure (see CKP PATTERN CLEAR/CKP PATTERN LEARN ).
  73. Inspect the idle speed (see IDLE SPEED INSPECTION ).
  74. Inspect the ignition timing (see IGNITION TIMING INSPECTION ).
  75. Check the wheel alignment (see WHEEL ALIGNMENT ).