LEMON Manuals: Even more car manuals for everyone: 1960-2025
Home >> Acura >> 2013 >> TL Base >> Repair and Diagnosis (Single Page) >> Engine Performance >> System >> Fuel And Emissions Systems >> System Description >> Electronic Throttle Control System Diagram
April 5, 2026: LEMON Manuals is launched! Read the announcement.

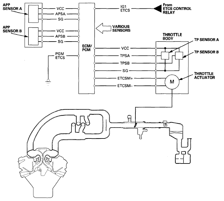
Electronic Throttle Control System Diagram

The electronic throttle control system consists of the throttle actuator, throttle position (TP) sensor A/B, accelerator pedal position (APP) sensor A/B, the electronic throttle control system (ETCS) control relay, and the ECM/PCM.

Fig 1: Electronic Throttle Control System - Diagram
G08069318Courtesy of AMERICAN HONDA MOTOR CO., INC.