LEMON Manuals: Even more car manuals for everyone: 1960-2025
Home >> Acura >> 2013 >> TL Base >> Repair and Diagnosis (Single Page) >> Engine Performance >> System >> Fuel And Emissions Systems >> System Description >> Starter Control System Diagram >> M/T
April 5, 2026: LEMON Manuals is launched! Read the announcement.

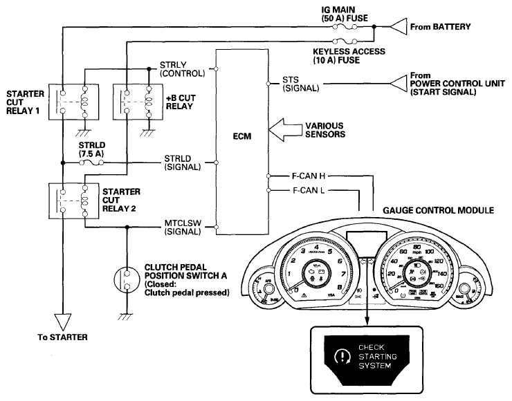
Starter Control System Diagram: M/T

The starter control system controls the starter motor.

Fig 1: Starter Control System (M/T) - Diagram
G08069314Courtesy of AMERICAN HONDA MOTOR CO., INC.