LEMON Manuals: Even more car manuals for everyone: 1960-2025
Home >> Acura >> 2013 >> TL Base >> Repair and Diagnosis >> Body & Frame >> Ignition Switch/Steering Lock >> Circuit Diagram - Without Keyless Access System
April 5, 2026: LEMON Manuals is launched! Read the announcement.

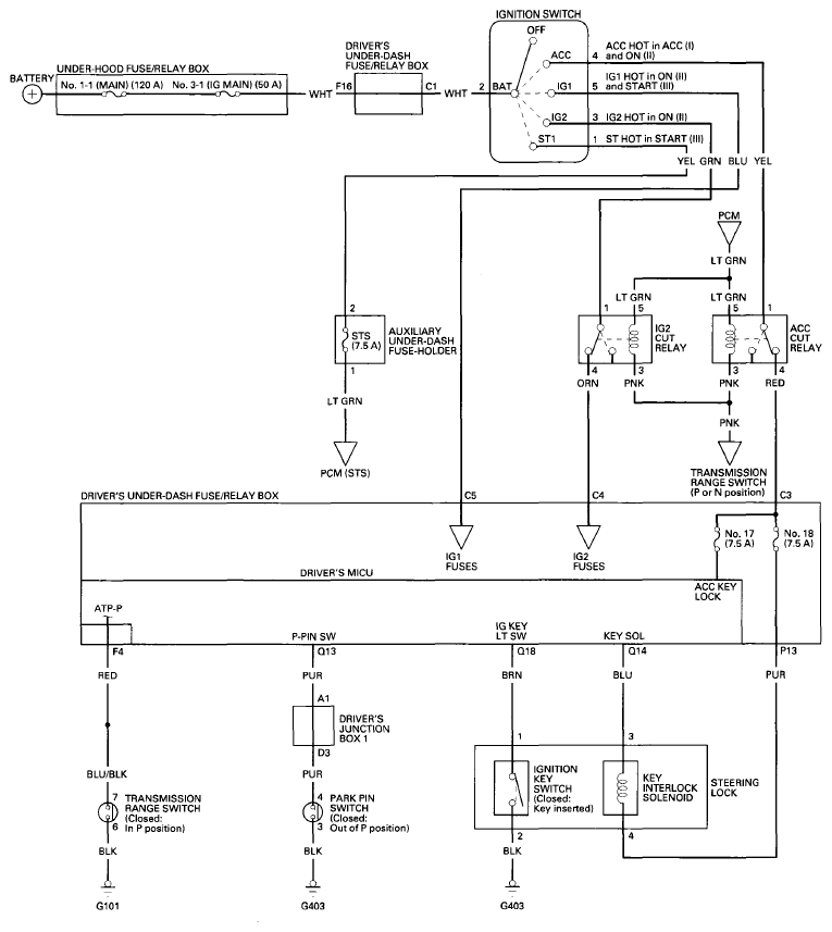
Circuit Diagram - Without Keyless Access System

Fig 1: Ignition Switch Circuit Diagram (w/o Keyless Access System)
G08067466Courtesy of AMERICAN HONDA MOTOR CO., INC.