LEMON Manuals: Even more car manuals for everyone: 1960-2025
Home >> Acura >> 2013 >> TL Base >> Repair and Diagnosis >> Body & Frame >> Seats >> Driver Position Memory System >> Circuit Diagram
April 5, 2026: LEMON Manuals is launched! Read the announcement.

Circuit Diagram

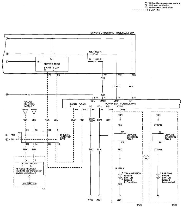
Fig 1: Driving Position Memory System Circuit Diagram (1 Of 4)
G08067525Courtesy of AMERICAN HONDA MOTOR CO., INC.
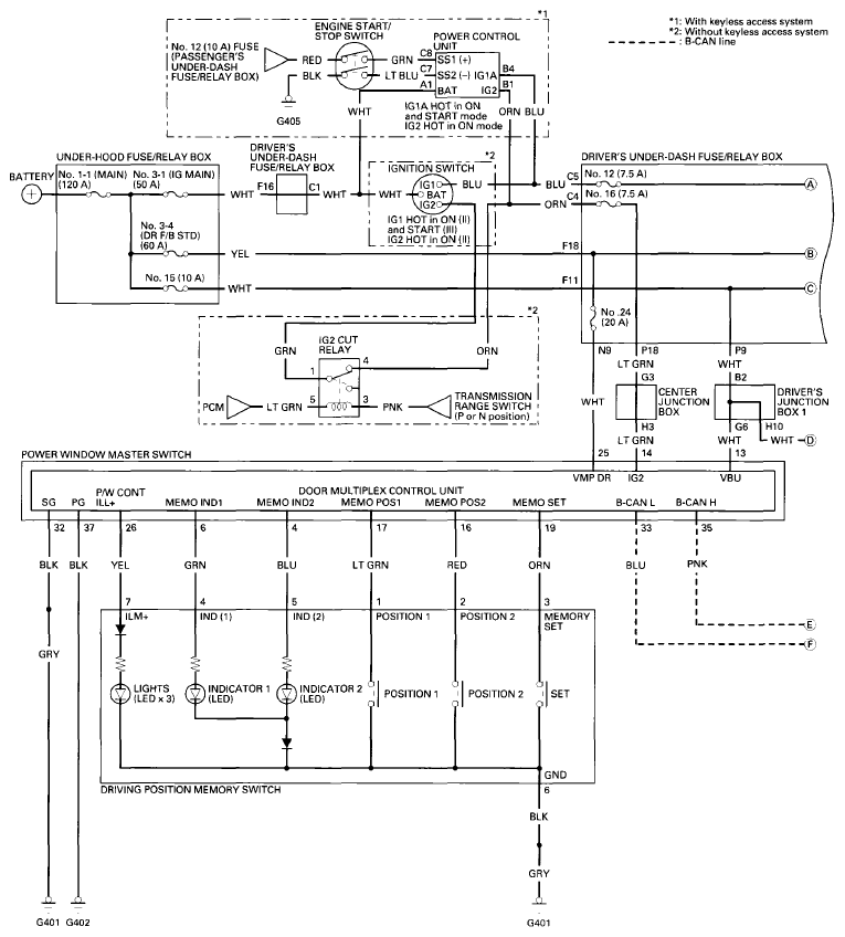
Fig 2: Driving Position Memory System Circuit Diagram (2 Of 4)
G08067526Courtesy of AMERICAN HONDA MOTOR CO., INC.
Fig 3: Driving Position Memory System Circuit Diagram (3 Of 4)
G08067527Courtesy of AMERICAN HONDA MOTOR CO., INC.
Fig 4: Driving Position Memory System Circuit Diagram (4 Of 4)
G08067528Courtesy of AMERICAN HONDA MOTOR CO., INC.