LEMON Manuals: Even more car manuals for everyone: 1960-2025
Home >> Acura >> 2013 >> TL Base >> Repair and Diagnosis >> Engine Performance >> System >> Advanced Diagnostics -- TL >> DTC P0507: Idle Control System RPM Higher Than Expected >> Notes
April 5, 2026: LEMON Manuals is launched! Read the announcement.

DTC P0507: Idle Control System RPM Higher Than Expected: Notes

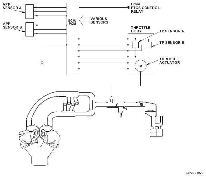
Fig 1: Overview Of Idle Control System
G08582495Courtesy of AMERICAN HONDA MOTOR CO., INC.
Fig 2: Idle Control System Characteristics Curve (Normal And Failure)
G08582496Courtesy of AMERICAN HONDA MOTOR CO., INC.