LEMON Manuals: Even more car manuals for everyone: 1960-2025
Home >> Acura >> 2013 >> ZDX >> Repair and Diagnosis >> Body & Frame >> Door Locks >> Keyless Access System >> Remote Slot Test/Replacement
April 5, 2026: LEMON Manuals is launched! Read the announcement.

Remote Slot Test/Replacement

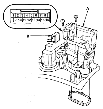
  1. Remove the driver's inner dashboard trim (see DRIVER'S OUTER DASHBOARD TRIM REMOVAL/INSTALLATION ).
  2. Remove the two screws, then pull out the remote slot (A).
    Fig 1: Identifying Screws, Remote Slot And 16P Connector Terminal
    G08076728Courtesy of AMERICAN HONDA MOTOR CO., INC.
  3. Disconnect the 16P connector (B) from the remote slot.
  4. Check for continuity between the terminals in each slot state according to the table.
    NOTE:
    • Make sure the correct test lead (+ or -) is placed on the terminal.
    • When checking for continuity across the diode, use the diode setting () on the digital volt/ohm meter to check the diode bias.
    • Note this important operating characteristic; diode bias causes a diode to fully conduct electricity in one direction (forward), while not at all in the opposite direction (reverse).
      Fig 2: Remote Slot Terminals Continuity Chart
      G08076729Courtesy of AMERICAN HONDA MOTOR CO., INC.
  5. If the continuity is not as specified, replace the remote slot.
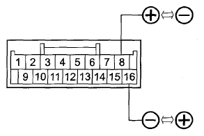
  6. Insert the remote into the remote slot.
  7. Connect the positive battery terminal to remote slot connector terminal No. 16, and the negative battery terminal to terminal No. 8. Check that the remote cannot be removed from the remote slot. Connect the positive battery terminal to remote slot connector terminal No. 8, and the negative battery terminal to terminal No. 16. Check that the remote can be removed from the remote slot.
    Fig 3: Connecting Positive Battery Terminal To Remote Slot Connector Terminal No. 16, And Negative Battery Terminal To Terminal No. 8
    G08076730Courtesy of AMERICAN HONDA MOTOR CO., INC.
  8. If the remote interlock solenoid works improperly, replace the remote slot.
  9. Install the remote slot in the reverse order of removal.