LEMON Manuals: Even more car manuals for everyone: 1960-2025
Home >> Acura >> 2013 >> ZDX >> Repair and Diagnosis >> Engine Performance >> System >> Fuel And Emissions Systems >> System Description >> PCM Circuit Diagram
April 5, 2026: LEMON Manuals is launched! Read the announcement.

PCM Circuit Diagram

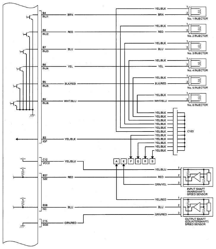
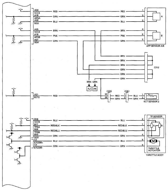
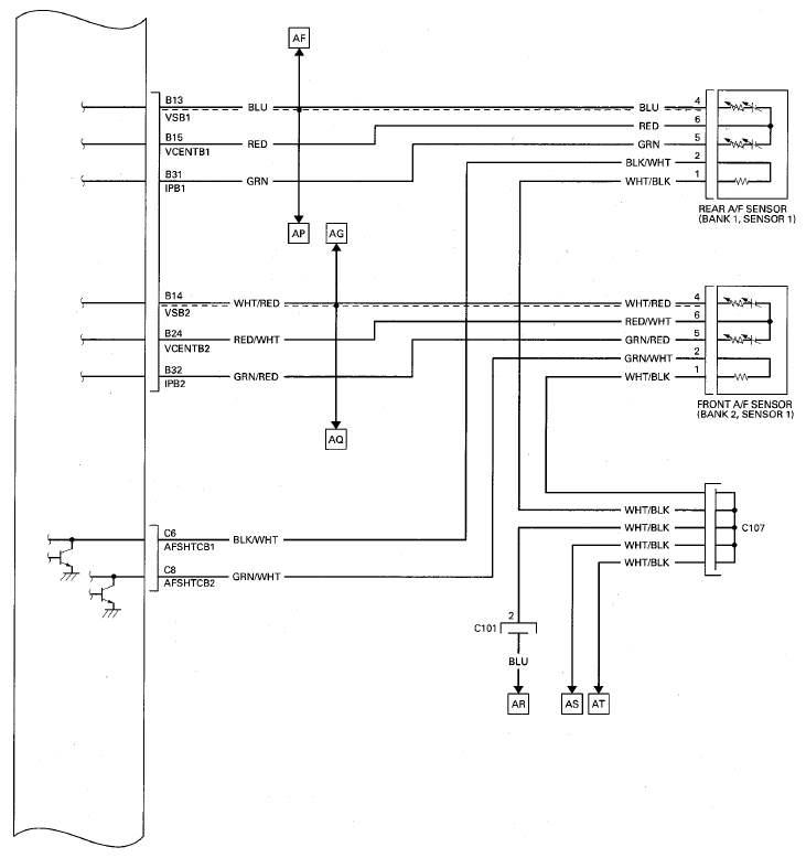
Fig 1: PCM Circuit Diagram (1 Of 16)
G08075449Courtesy of AMERICAN HONDA MOTOR CO., INC.
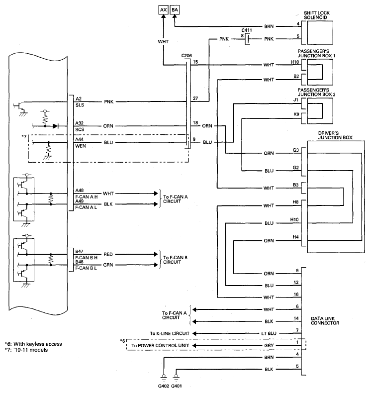
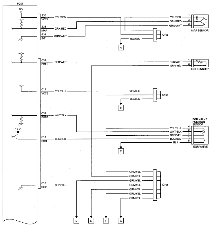
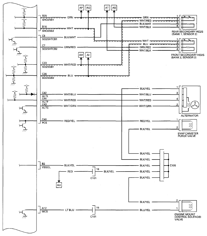
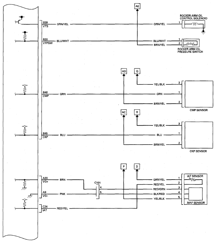
Fig 2: PCM Circuit Diagram (2 Of 16)
G08075450Courtesy of AMERICAN HONDA MOTOR CO., INC.
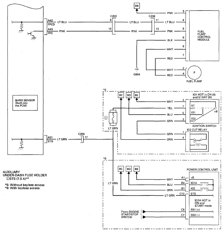
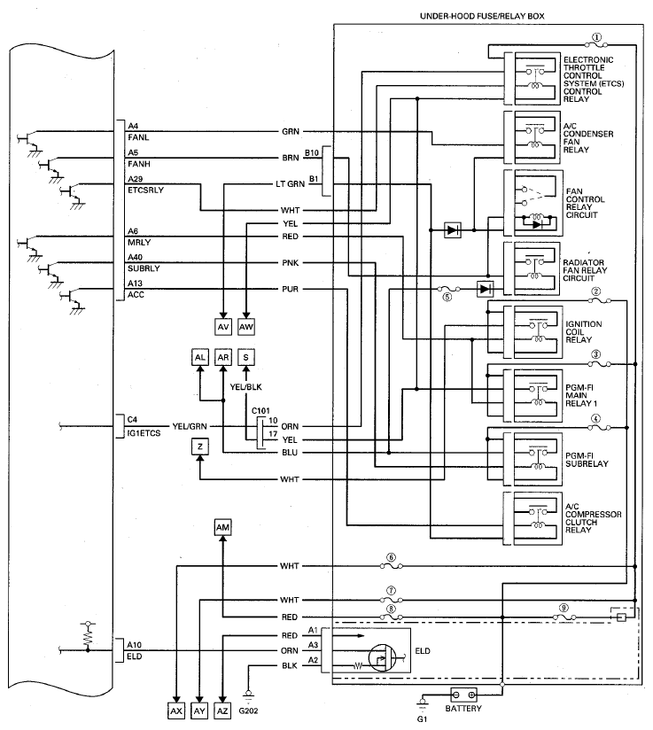
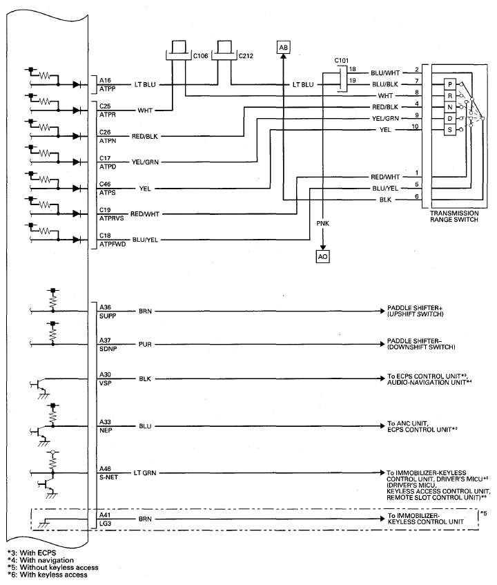
Fig 3: PCM Circuit Diagram (3 Of 16)
G08075451Courtesy of AMERICAN HONDA MOTOR CO., INC.
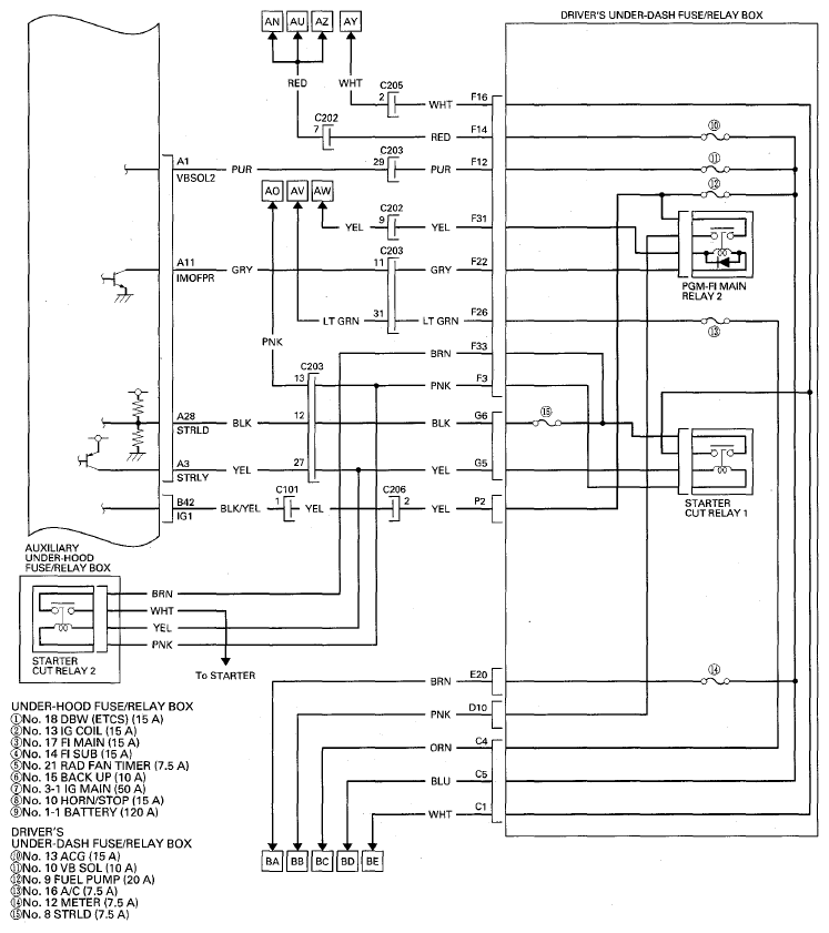
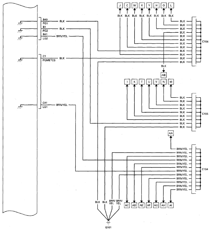
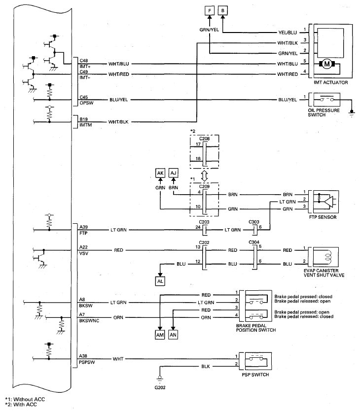
Fig 4: PCM Circuit Diagram (4 Of 16)
G08075452Courtesy of AMERICAN HONDA MOTOR CO., INC.
Fig 5: PCM Circuit Diagram (5 Of 16)
G08075453Courtesy of AMERICAN HONDA MOTOR CO., INC.
Fig 6: PCM Circuit Diagram (6 Of 16)
G08075454Courtesy of AMERICAN HONDA MOTOR CO., INC.
Fig 7: PCM Circuit Diagram (7 Of 16)
G08075455Courtesy of AMERICAN HONDA MOTOR CO., INC.
Fig 8: PCM Circuit Diagram (8 Of 16)
G08075456Courtesy of AMERICAN HONDA MOTOR CO., INC.
Fig 9: PCM Circuit Diagram (9 Of 16)
G08075457Courtesy of AMERICAN HONDA MOTOR CO., INC.
Fig 10: PCM Circuit Diagram (10 Of 16)
G08075458Courtesy of AMERICAN HONDA MOTOR CO., INC.
Fig 11: PCM Circuit Diagram (11 Of 16)
G08075459Courtesy of AMERICAN HONDA MOTOR CO., INC.
Fig 12: PCM Circuit Diagram (12 Of 16)
G08075460Courtesy of AMERICAN HONDA MOTOR CO., INC.
Fig 13: PCM Circuit Diagram (13 Of 16)
G08075461Courtesy of AMERICAN HONDA MOTOR CO., INC.
Fig 14: PCM Circuit Diagram (14 Of 16)
G08075462Courtesy of AMERICAN HONDA MOTOR CO., INC.
Fig 15: PCM Circuit Diagram (15 Of 16)
G08075463Courtesy of AMERICAN HONDA MOTOR CO., INC.
Fig 16: PCM Circuit Diagram (16 Of 16)
G08075464Courtesy of AMERICAN HONDA MOTOR CO., INC.