LEMON Manuals: Even more car manuals for everyone: 1960-2025
Home >> Acura >> 2013 >> ZDX >> Repair and Diagnosis >> Engine Performance >> System >> Fuel And Emissions Systems >> System Description >> PCM Electrical Connections
April 5, 2026: LEMON Manuals is launched! Read the announcement.

PCM Electrical Connections

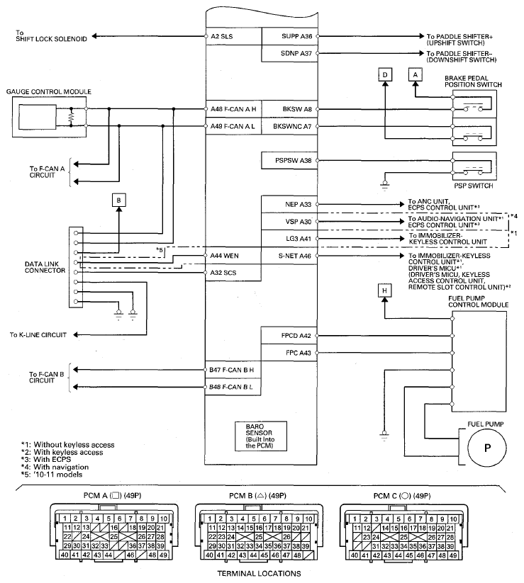
Fig 1: PCM Electrical Connections Diagram (1 Of 6)
G08075443Courtesy of AMERICAN HONDA MOTOR CO., INC.
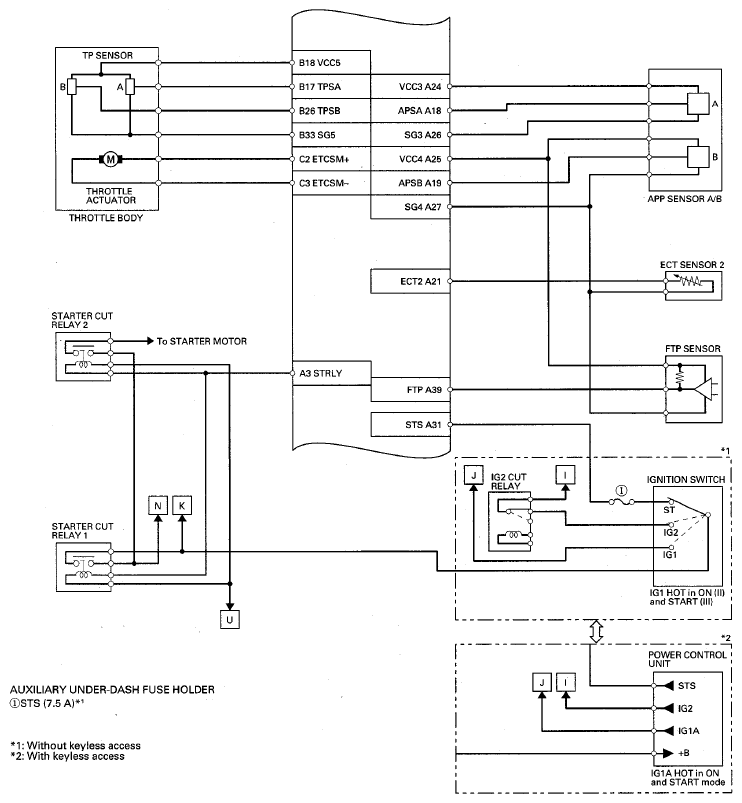
Fig 2: PCM Electrical Connections Diagram (2 Of 6)
G08075444Courtesy of AMERICAN HONDA MOTOR CO., INC.
Fig 3: PCM Electrical Connections Diagram (3 Of 6)
G08075445Courtesy of AMERICAN HONDA MOTOR CO., INC.
Fig 4: PCM Electrical Connections Diagram (4 Of 6)
G08075446Courtesy of AMERICAN HONDA MOTOR CO., INC.
Fig 5: PCM Electrical Connections Diagram (5 Of 6)
G08075447Courtesy of AMERICAN HONDA MOTOR CO., INC.
Fig 6: PCM Electrical Connections Diagram (6 Of 6)
G08075448Courtesy of AMERICAN HONDA MOTOR CO., INC.