LEMON Manuals: Even more car manuals for everyone: 1960-2025
Home >> Acura >> 2014 >> ILX Base, 2.4L Eng >> Repair and Diagnosis >> External Pages >> Different variant/trim >> Section 62 (Security System / Keyless Entry System - Testing & Troubleshooting (Hybrid)) >> Circuit Diagram >> HomeLink Remote Control System Circuit Diagram
April 5, 2026: LEMON Manuals is launched! Read the announcement.

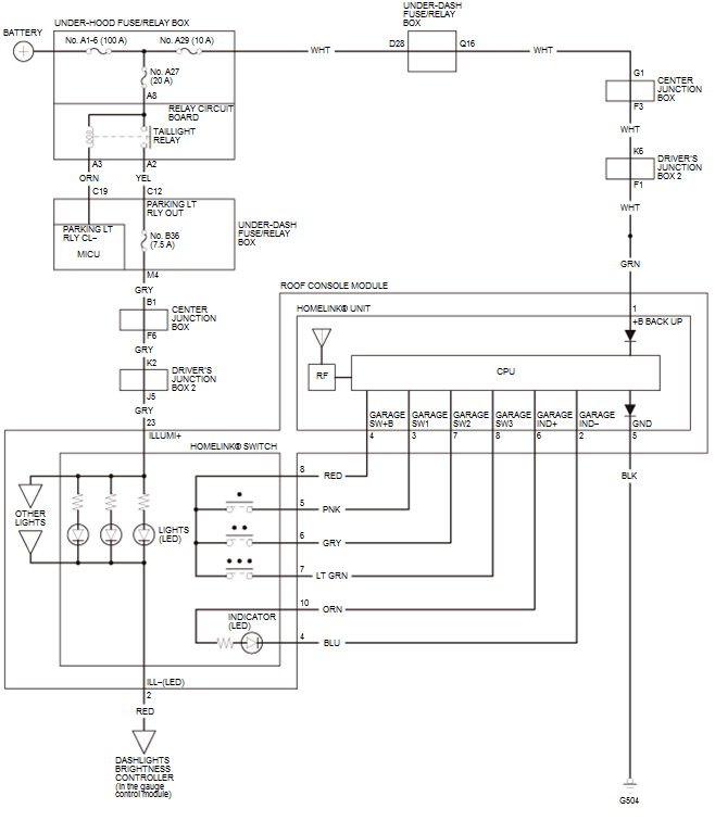
HomeLink Remote Control System Circuit Diagram

WARNING: This page is about a different variant/trim than selected.
GHH102103Courtesy of HONDA, U.S.A., INC.