LEMON Manuals: Even more car manuals for everyone: 1960-2025
Home >> Acura >> 2014 >> ILX Base, 2.4L Eng >> Repair and Diagnosis >> External Pages >> Different variant/trim >> Section 62 (Security System / Keyless Entry System - Testing & Troubleshooting (Hybrid)) >> Circuit Diagram >> Keyless Access System Circuit Diagram (2013)
April 5, 2026: LEMON Manuals is launched! Read the announcement.

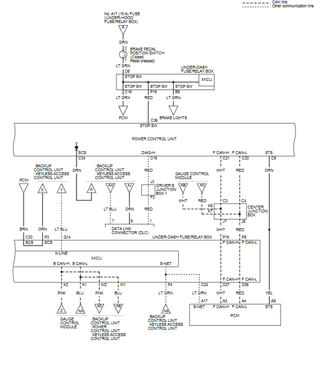
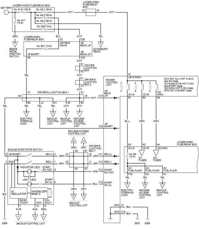
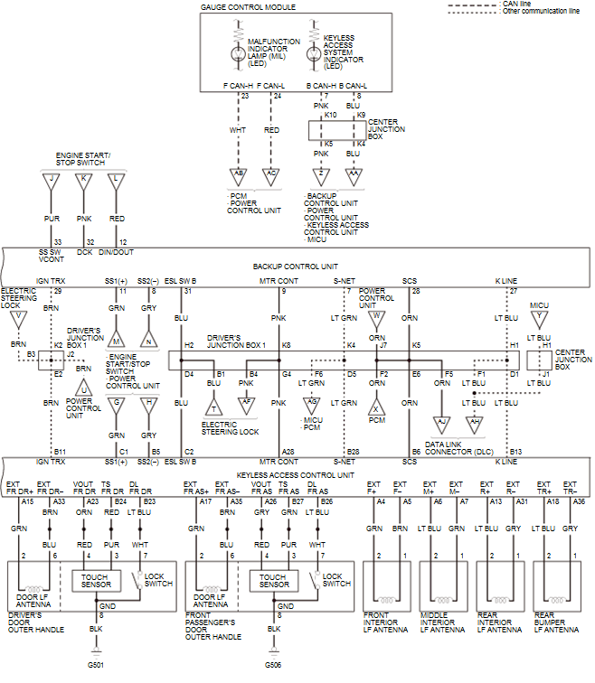
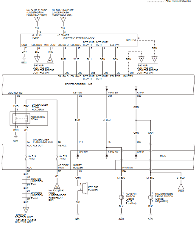
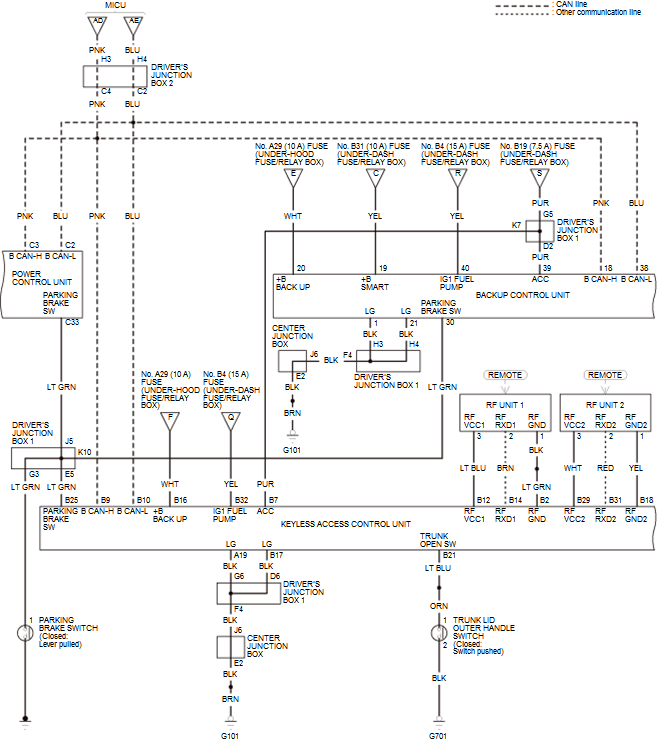
Keyless Access System Circuit Diagram (2013)

WARNING: This page is about a different variant/trim than selected.
GHH102104Courtesy of HONDA, U.S.A., INC.
GHH102105Courtesy of HONDA, U.S.A., INC.
GHH102106Courtesy of HONDA, U.S.A., INC.
GHH102107Courtesy of HONDA, U.S.A., INC.
GHH102108Courtesy of HONDA, U.S.A., INC.