LEMON Manuals: Even more car manuals for everyone: 1960-2025
Home >> Acura >> 2014 >> ILX Base, 2.4L Eng >> Repair and Diagnosis >> External Pages >> Different variant/trim >> Section 62 (Security System / Keyless Entry System - Testing & Troubleshooting (Hybrid)) >> Circuit Diagram >> Keyless Access System Circuit Diagram (2014-15)
April 5, 2026: LEMON Manuals is launched! Read the announcement.

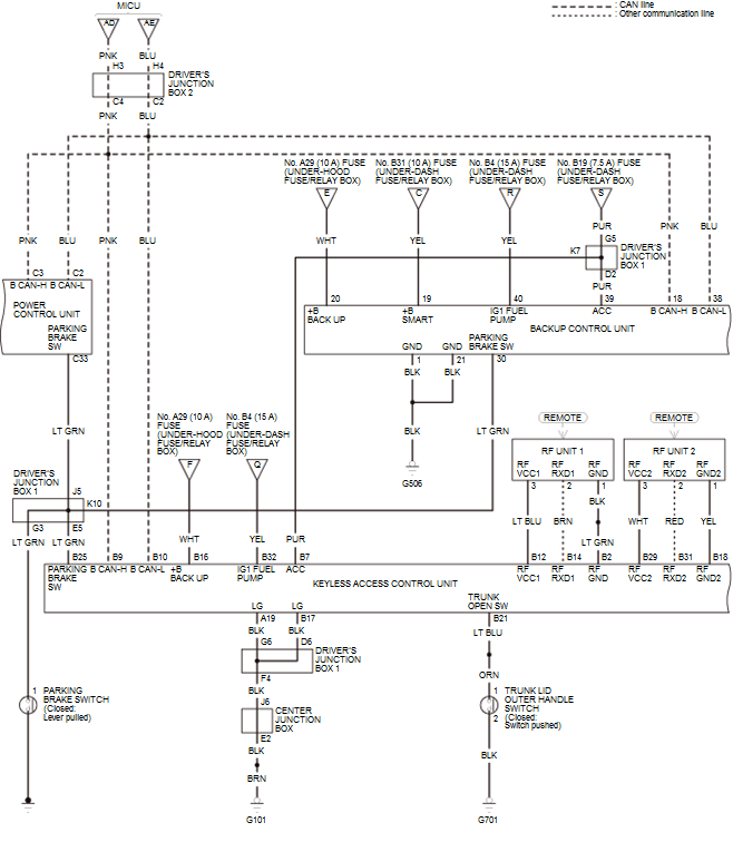
Keyless Access System Circuit Diagram (2014-15)

WARNING: This page is about a different variant/trim than selected.
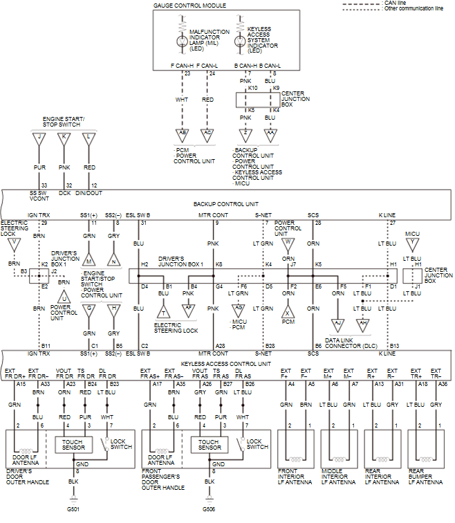
GHH102109Courtesy of HONDA, U.S.A., INC.
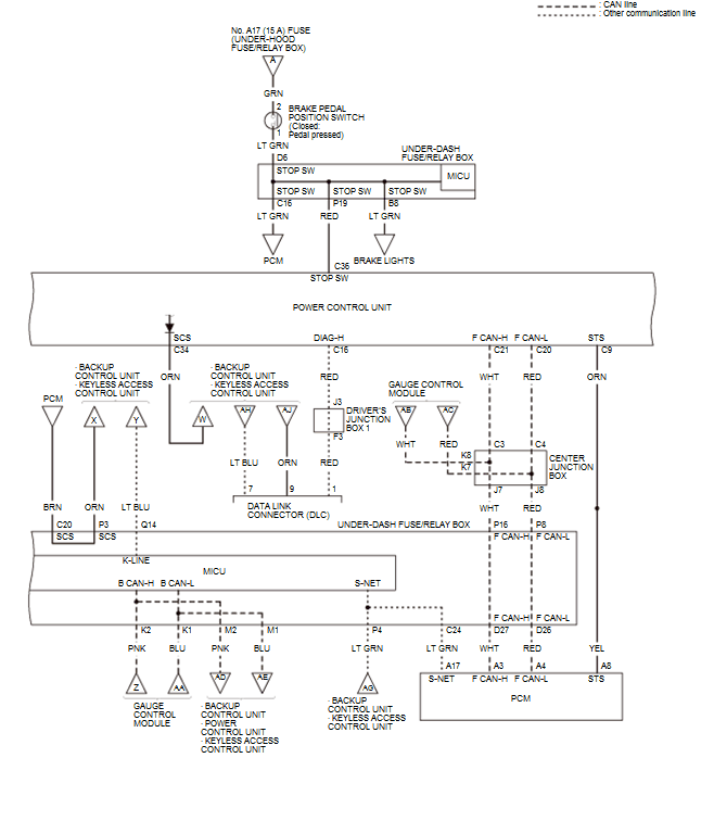
GHH102110Courtesy of HONDA, U.S.A., INC.
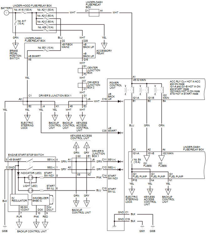
GHH102111Courtesy of HONDA, U.S.A., INC.
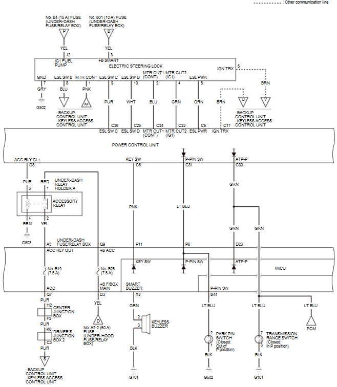
GHH102112Courtesy of HONDA, U.S.A., INC.
GHH102113Courtesy of HONDA, U.S.A., INC.