LEMON Manuals: Even more car manuals for everyone: 1960-2025
Home >> Acura >> 2014 >> ILX Base, 2.4L Eng >> Repair and Diagnosis >> External Pages >> Different variant/trim >> Section 62 (Security System / Keyless Entry System - Testing & Troubleshooting (Hybrid)) >> Description >> Keyless/Power Door Locks/Security System Description - Control/Function
April 5, 2026: LEMON Manuals is launched! Read the announcement.

Keyless/Power Door Locks/Security System Description - Control/Function

WARNING: This page is about a different variant/trim than selected.

Door Lock Control 

The door lock control function allows the MICU to detect the status of various switch signals and control each actuator in order to lock and unlock doors.

GHH102074Courtesy of HONDA, U.S.A., INC.

Trunk Lid Control 

The trunk lid control function allows the MICU to detect the status of various switch signals and control trunk lid release actuator in order to lock and unlock trunk.

GHH102075Courtesy of HONDA, U.S.A., INC.

Key Lockout Prevent Function 

The lockout function observes the ignition key switch input. If the input is "ON" (key present), the system will not lock the doors. If the driver manually locks and closes the doors with a key in the ignition switch (input ON), the MICU energizes the driver's door actuator and unlocks the driver's door.

GHH102076Courtesy of HONDA, U.S.A., INC.

Automatic Door Lock/unlock Control 

The automatic door lock control function allows the MICU to detect the status of B-CAN signals and various switch signals and control each actuator in order to automatically lock all the doors when the vehicle speed exceeds certain speed (15 km/h). Or, it allows the MICU to detect that the select lever is out of the P position and control actuator to automatically lock all the doors. The locking method can be set as non-link, link to vehicle speed, link to shift and link to engine start/stop switch by customizing function.

GHH102077Courtesy of HONDA, U.S.A., INC.

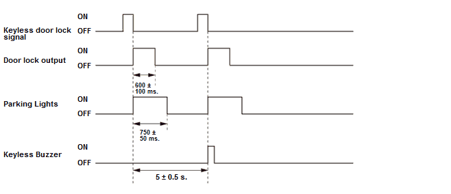
Keyless Door Lock Control 

The remote can transmit a lock or unlock signal to the immobilizer control unit, which sends the keyless request to the MICU using the B-CAN network. The customization menu can also set the timer value.

GHH102078Courtesy of HONDA, U.S.A., INC.

Keyless Door Lock Control (Trunk Lid) 

The remote can transmit a lock or unlock signal to the keyless access control unit, which sends the keyless request to the MICU using the B-CAN network, then the MICU controls the trunk lid release actuator by B-CAN signal ans various switch signal.

GHH102079Courtesy of HONDA, U.S.A., INC.

Answer Back Control 

When using the remote, the MICU provides an answer back function to alert the operator that the MICU received a lock or unlock command from the keyless transmitter. When the MICU receives a lock signal, it sends the parking light signal once. When the MICU receives an unlock signal, the MICU sends the parking light signals two times.

GHH102080Courtesy of HONDA, U.S.A., INC.

When the MICU receives a lock signal, the MICU sends signals once to the parking lights and keyless buzzer will sound once when you press the Lock button again within 5 seconds.

GHH102081Courtesy of HONDA, U.S.A., INC.

When the MICU receives an unlock signal, the MICU sends signals two times to the parking lights.

GHH102082Courtesy of HONDA, U.S.A., INC.

Security Control 

When the security alarm is set, MICU sends the security set signal using B-CAN. You can select the use of security control through the customize function.

GHH102083Courtesy of HONDA, U.S.A., INC.

Security system operating term 

Start setting
  • Lock the door using a mechanical key
  • Lock the door by using the remote
  • Lock the door by pressing the door outer handle lock switch while having the remote
  • Operate a keyless relock
Cancellation
  • Unlock the door using a mechanical key (For some models)
  • Unlock the door by using the remote
  • Unlock the door by pressing the door outer handle lock switch or trunk lid outer handle switch while having the remote
  • Press the engine start/stop switch button while having the remote
Setting conditions (related systems are normally operated)
  • Door switch OFF (Door close)
  • Door unlock knob switch OFF (Lock)
  • Trunk lid latch switch OFF (Trunk close)
  • Driver's door key cylinder switch OFF
  • Security hood switch ON (Hood close)
  • Vehicle OFF (LOCK) mode
Start the alarm When any of the monitoring switch signal inputs are received without the signal for cancelling setting
Cancel the alarm Compliant with the conditions for cancelling setting

Security Setting 

When the security alarm is set, MICU sends the security set signal using B-CAN. When the gauge control module receives the security set signal from MICU, the security indicator flashes to indicate the system is arming.

GHH102084Courtesy of HONDA, U.S.A., INC.

Security Alarm 

With the security system armed, manually opening the hood or trunk, or moving an interior lock knob to the unlock position activates the security alarm. Even if you remove the battery, the alarming state cannot be changed. The alarm starts again when reinstalling the battery.

GHH102085Courtesy of HONDA, U.S.A., INC.