LEMON Manuals: Even more car manuals for everyone: 1960-2025
Home >> Acura >> 2014 >> MDX Base >> Repair and Diagnosis (Single Page) >> Accessories & Equipment >> Anti-Theft Systems >> Security System / Keyless Entry System - Testing & Troubleshooting (Except Hybrid) >> Circuit Diagram >> HomeLink Remote Control System Circuit Diagram (2017 2018 2019 2020)
April 5, 2026: LEMON Manuals is launched! Read the announcement.

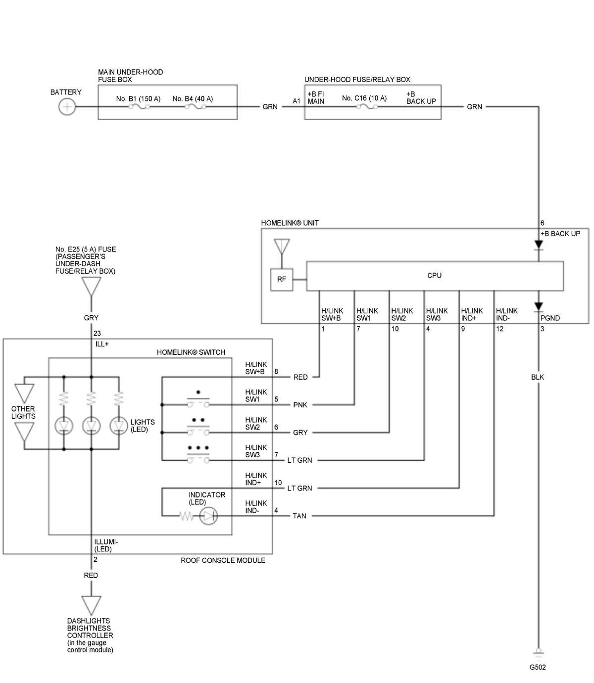
HomeLink Remote Control System Circuit Diagram (2017 2018 2019 2020)

GHH326621Courtesy of HONDA, U.S.A., INC.