LEMON Manuals: Even more car manuals for everyone: 1960-2025
Home >> Acura >> 2014 >> RDX AWD >> Repair and Diagnosis (Single Page) >> Accessories & Equipment >> Communication Devices >> Integrated Control Systems - Testing & Troubleshooting >> Circuit Diagram >> Driving Position Memory System (DPMS) Circuit Diagram (2013-15)
April 5, 2026: LEMON Manuals is launched! Read the announcement.

Driving Position Memory System (DPMS) Circuit Diagram (2013-15)

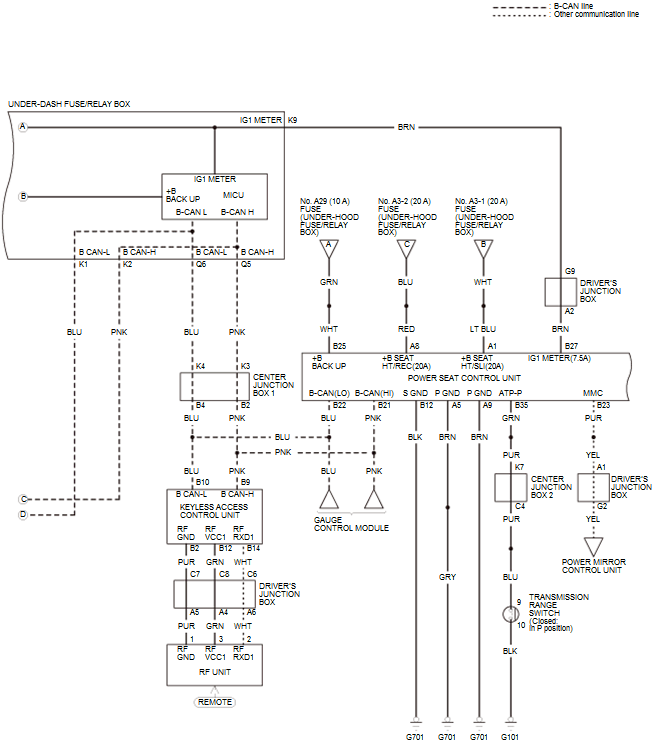
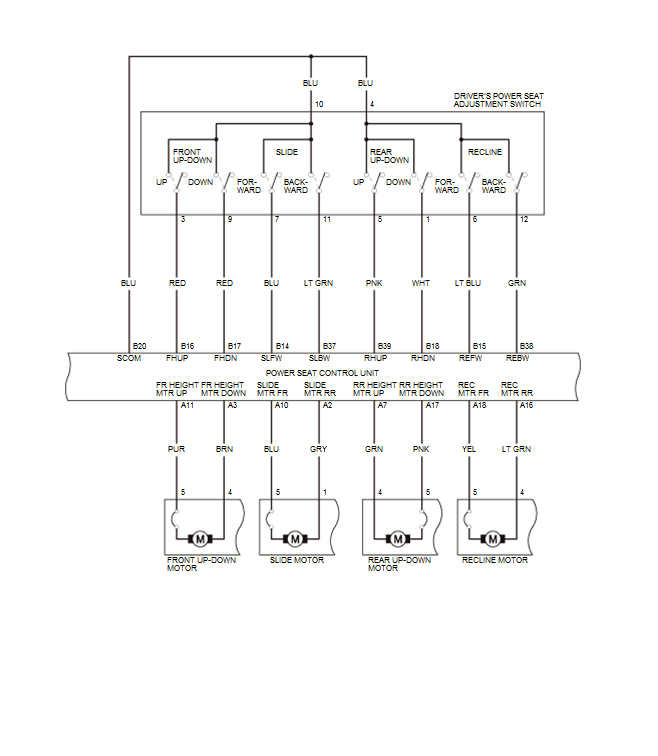
Driver's Power Seat 

GHH75331Courtesy of HONDA, U.S.A., INC.
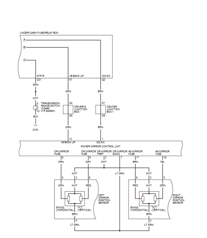
GHH75332Courtesy of HONDA, U.S.A., INC.
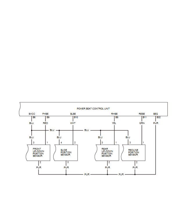
GHH75333Courtesy of HONDA, U.S.A., INC.
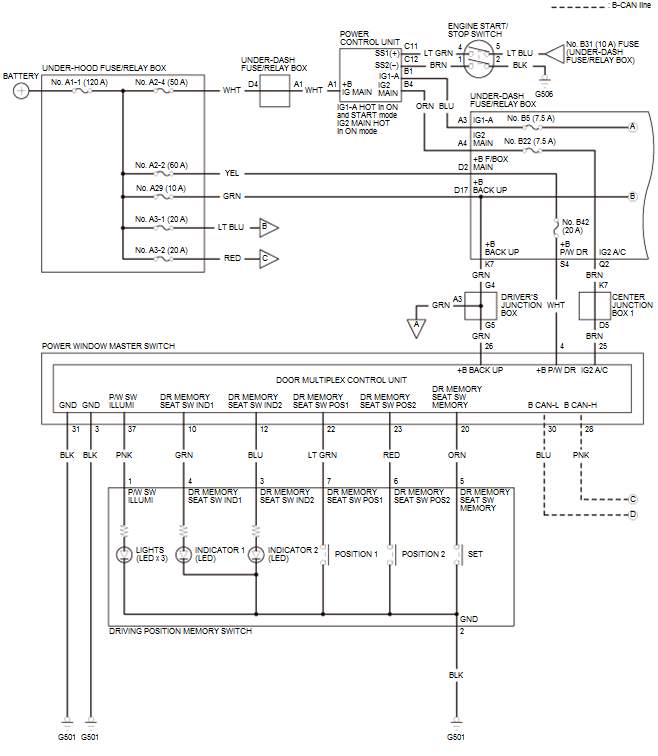
GHH75334Courtesy of HONDA, U.S.A., INC.

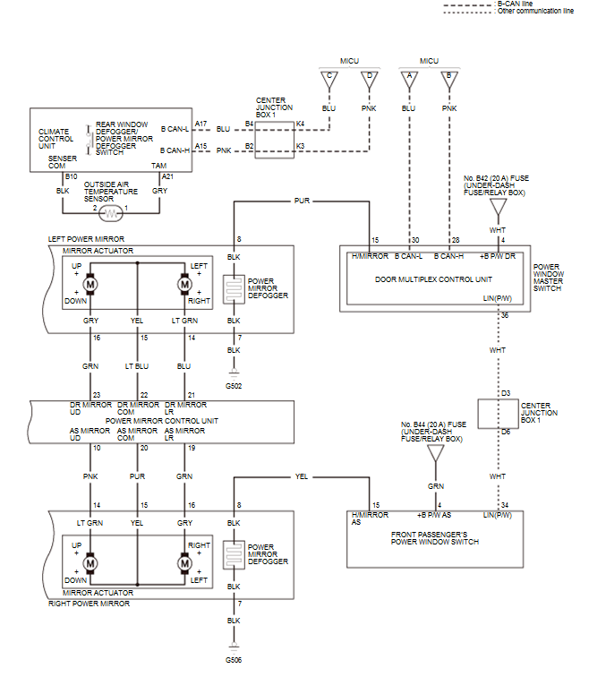
Power Mirror 

GHH75335Courtesy of HONDA, U.S.A., INC.
GHH75336Courtesy of HONDA, U.S.A., INC.
GHH75337Courtesy of HONDA, U.S.A., INC.